商铺名称:上海松铭传动机械有限公司
联系人:苏先生(先生)
联系手机:
固定电话:
企业邮箱:stone_shu@shcoupling.com
联系地址:上海市松江区车墩镇汇桥村13队
邮编:201611
联系我时,请说是在地方电气网上看到的,谢谢!
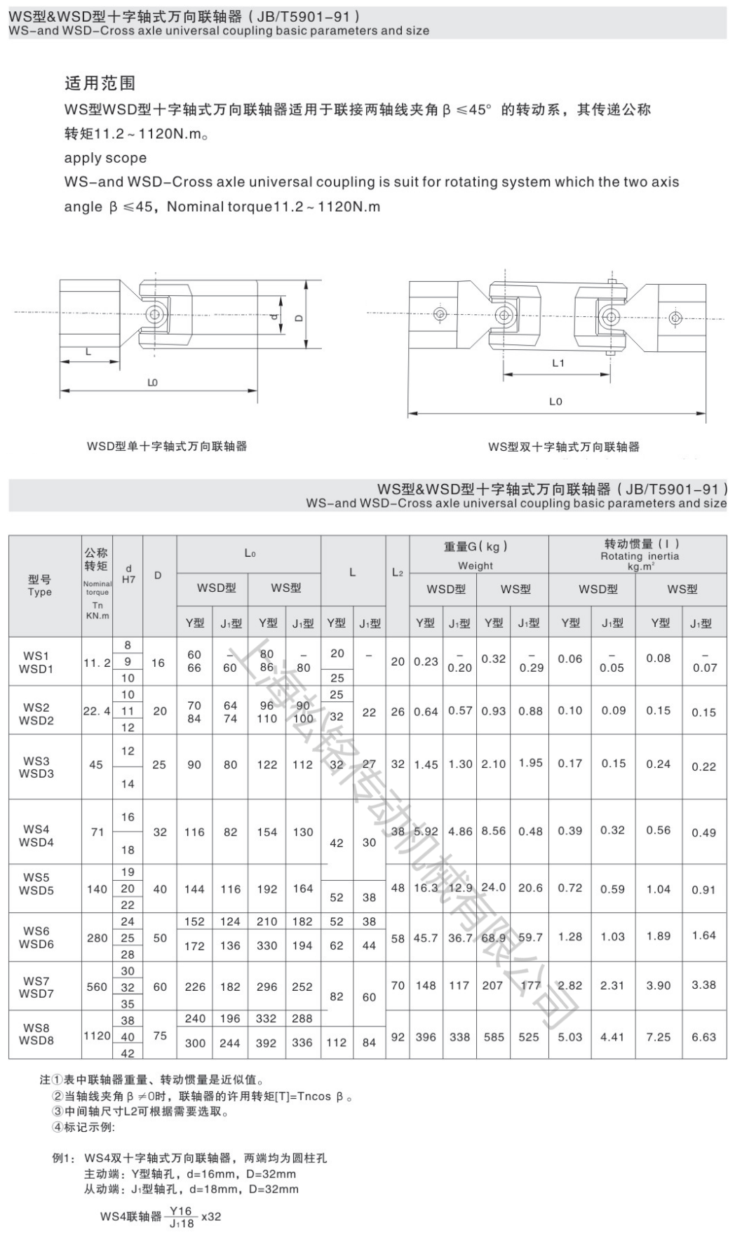
WSD及WS型万向节连轴器
????上海松铭传动机械有限公司是一家研究、设计、销售传动类产品的企业,主营产品有:ML梅花弹性联轴器、GR星型弹性联轴器、弹性膜片联轴器(DJM、SJM、JMII、JMIIJ)、弹性柱销套联轴器、十字轴万向联轴器、万向节、鼓型齿联轴器、波纹管联轴器、UL轮胎联轴器、SL十字滑块联轴器,KC链条联轴器、JS蛇型弹簧联轴器、凸缘联轴器产品等,Z型胀紧联结套及锥套皮带轮(SPA、SPB、SPC、SPZ)
