固有频率测量系统(扫频式)
固有频率测量系统(扫频式)
产品价格:¥28000(人民币)
  • 规格:DFT5004
  • 发货地:江苏扬州市
  • 品牌:
  • 最小起订量:1套
  • 诚信商家
    会员级别:钻石会员
    认证类型:企业认证
    企业证件:通过认证

    商铺名称:宝应县宝飞振动仪器厂

    联系人:葛学仁(先生)

    联系手机:

    固定电话:

    企业邮箱:server@zd88.com

    联系地址:江苏省宝应县城南工业园兴园一路

    邮编:225800

    联系我时,请说是在地方电气网上看到的,谢谢!

    商品详情

      ? ? ? ? ? ? ? ? ? ? ? ? ? ?DFT5004固有频率测量系统

      固有频率测量系统(扫频式)是由扫频函数信号发生器JZQ-20激振器、GF200功率放大器、数据采集分析仪、振动传感器、等部件组成,主要通过激振扫频形式,让其工件产生共振,并通过振动传感器拾取信号, 输入数据采集分析仪分析得出其工件的固有频率和振动分析。该仪器具有测试速度快、准确可靠、操作简便等优点.

      应用范围

      可广泛应用于 各种另部件、加工件、产品、整机的固有频率测量和振动分析,广泛应用于冶金、军工、机械、化工、叶片、电机、电器、车辆等各类企业。经过全国二十多个省市,数千家单位的试用,证明本仪器的确是理想的固有频率测量工具。

      DFT5004数据采集分析系统

      1AD分辩率: 16bit

      2、精度: 优于0.5(满量程)

      3、输入:4通道电压或IEPE型传感器4mA/+24VDC

      4、通道采样频率:100KSPS/CH

      5、电压输入范围: ±10VP

      6、程控增益:110100

      7、频率范围:电压输入:DC-30KHz

      ?IEPE输入:0.3Hz-30KHz

      8供电:DC1030V

      9、输入接头:BNC插座;

      10、外型尺寸: 125mmW)×50mmH)×178mm (D)

      11、重量:约500G

      12、应用软件:DFT6000

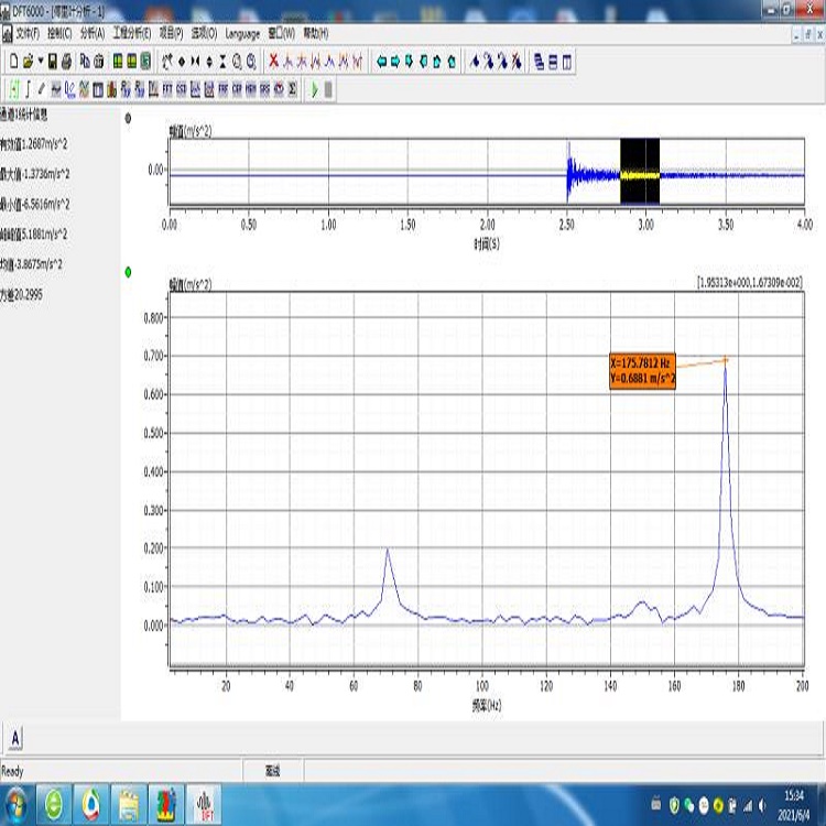
      DFT6000固有频率采集分析系统软件

      DFT6000 信号分析系统同时支持信号采集及后处理分析两种工作状态,该系统具有以下特点:

      1.? 整个系统全部采用C++语言开发,面向对象编程,全插件架构,系统稳定可靠且扩展性极强。

      2.? 系统同时支持在线模式及后处理模式,两种模式任意切换,同时支持工作区及项目文档管理功能,管理数据非常方便。

      3.? 支持虚拟TEDS传感器,采用数据库对传感器进行统一管理,使用更加方便。

      4.? 同时支持多种语言,系统默认支持中文及英语,语言文件采用文本格式,用户可以根据自己的实际需要自己翻译使其很好的支持其他语言,不同的语言可以实时进行切换。

      5.? 可以配接我公司生产的各种信号分析仪器,分析仪的类型可以根据用户实际使用的产品自己

      6.? 具有丰富的多种参数设置功能:

      l? 可以任意设置采样的起止通道;

      l? 任意各采样通道是否存盘;

      l? 可以调节显示波形时图形的刷新速度;

      7.? 支持多种文件存储格式。存盘文件格式可以为联能公司专用的二进制格式,也可以存为UFF58UFF58bMatLab5.0格式,方便用户使用其他软件分析数据。

      8.? 多种采样方式:

      l? 示波方式;

      l? 手动触发;

      l? 信号触发;

      l? 连续记录。

      9.? 具有丰富的时域、频域分析处理功能,系统支持显示:

      l? 应变花计算

      l? 单踪示波视图;

      l? 多踪时域示波;

      l? 李沙育图(即X-Y图,X轴,Y轴可以任意通道);

      l? 傅里叶分析;

      l? 自谱、功率谱、功率谱密度分析;

      l? 传递函数分析;

      l? 旋转机械转速分析;

      l? 统计信息(可以显示任意几个通道的最大值,最小值,峰峰值、有效值、方差、标准差、波峰因素、波形因素、脉冲因素、裕度因素)

      10. 充分利用计算机海量存储硬盘,长时间、实时、无间断记录多通道信号。



    0571-87774297