商铺名称:北京霍远科技有限公司
联系人:李(小姐)
联系手机:
固定电话:
企业邮箱:2682745228@qq.com
联系地址:
邮编:
联系我时,请说是在地方电气网上看到的,谢谢!
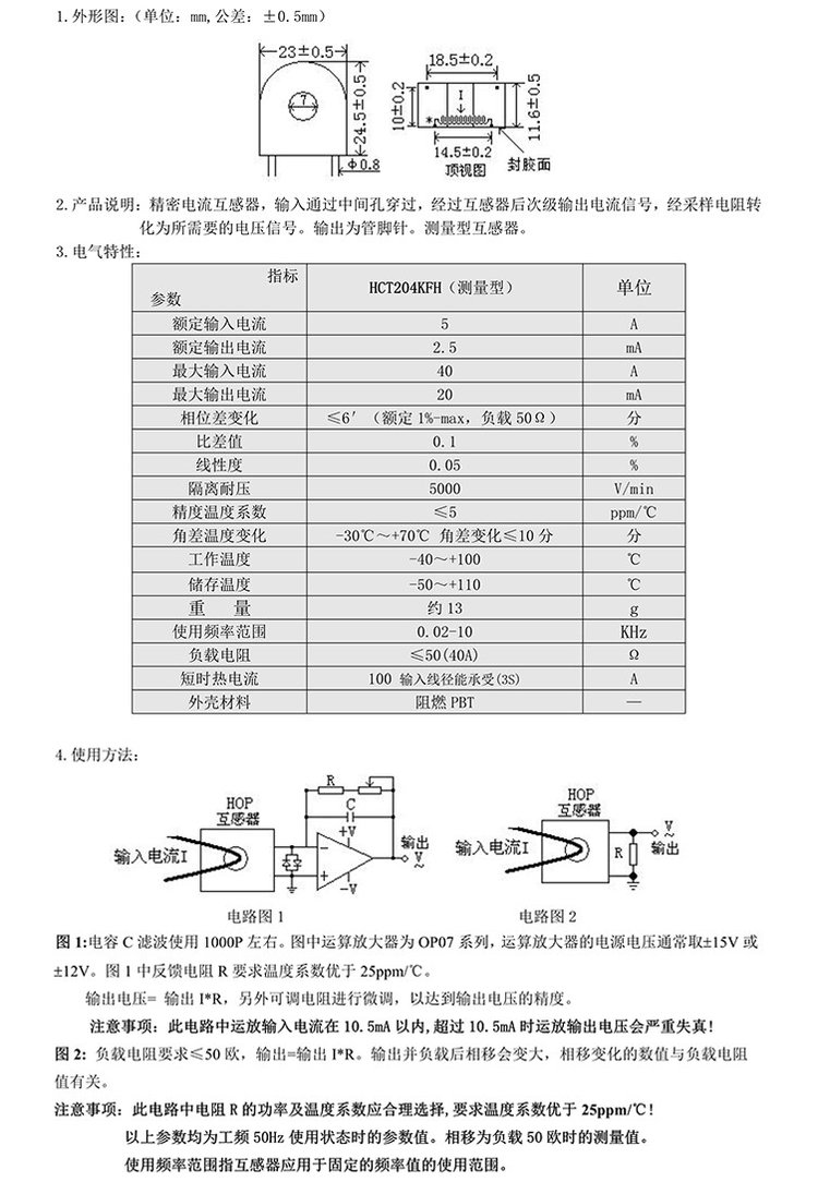
| 产品参数 | |||
|---|---|---|---|
| 品牌 | 霍远 | ||
| 变比 | 5A | 2.5mA | |
| 线性度 | 0.05 | ||
| 外壳材质 | 阻燃PBT | ||
| 比差值 | 0.1 | ||
| 相位差变化 | ≤6′ | ||
| 最大输入电流 | 40A | ||
| 最大输出电流 | 20mA | ||
| 使用频率范围 | 0.02-10KHz | ||
| 工作温度 | -40~ 100℃ | ||
| 负载电阻 | ≤50Ω | ||
| . | . | ||
| .. | .. | ||
| 可售卖地 | 北京;天津;河北;山西;内蒙古;辽宁;吉林;黑龙江;上海;江苏;浙江;安徽;福建;江西;山东;河南;湖北;湖南;广东;广西;海南;重庆;四川;贵州;云南;西藏;陕西;甘肃;青海;宁夏;新疆 | ||
| 类型 | 电流互感器 | ||
| 型号 | HCT204KFH | ||
.jpg)
.jpg)
.jpg)
.jpg)
.jpg)
.jpg)
.jpg)
