RS485总线浪涌防护器件
RS485总线浪涌防护器件
产品价格:¥1.5(人民币)
  • 规格:WCM-3216-222T SM712
  • 发货地:江苏常州市
  • 品牌:
  • 最小起订量:1个
  • 免费会员
    会员级别:试用会员
    认证类型:企业认证
    企业证件:通过认证

    商铺名称:常州鼎先电子有限公司

    联系人:()

    联系手机:

    固定电话:

    企业邮箱:389713349@QQ.COM

    联系地址:江苏常州天宁区恒生科技园1号楼4楼

    邮编:

    联系我时,请说是在地方电气网上看到的,谢谢!

    商品详情

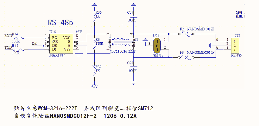
      WCM-3216-222T:共模扼流程线圈(共模电感),常用在USB/LVDS/HDMI/以太网/485/CAN等差分信号滤波电路。

      SM712:SM712系列瞬态抑制二极管阵列专为保护具有非对称工作电压(-7V至12V)的RS-485应用而设计,使其免受静电放电(ESD)、电气快速瞬变(EFT)和雷电引致的浪涌电流带来的危害。 它能吸收高于IEC 61000-4-2国际标准规定之最高级别的反复性ESD放电,无需担心其性能发生减退,并可在极低的箝位电压下安全地耗散19A的8/20μs波形浪涌电流(IEC61000-4-5)。

      铁氧体磁珠不仅可用于电源电路中滤除高频噪声(可用于直流和交流输出),还可广泛应用于其它电路,其体积可以做得很小。特别是在数字电路中,由于脉冲信号含有频率很高的高次谐波,也是电路高频辐射的主要根源,所以可在这种场合发挥磁珠的作用,铁氧体磁珠还广泛应用于信号电缆的噪声滤除。

      磁珠由氧磁体组成,电感由磁芯和线圈组成,磁珠把交流信号转化为热能,电感把交流存储起来,缓慢的释放出去,因此说电感是储能元件,而磁珠是能量转换(消耗)器件。电感多用于电源滤波回路,磁珠多用于信号回路,磁珠主要用于抑制电磁辐射干扰,而电感用于这方面则侧重于抑制传导性干扰。两者都可用于处理EMC、EMI问题。磁珠是用来吸收超高频信号,例如一些RF电路、PLL、振荡电路、含超高频存储器电路(DDR SDRAM,RAMBUS等)都需要在电源输入部分加磁珠,而电感是一种蓄能元件,用在LC振荡电路、中低频的滤波电路等,其应用频率范围很少超过50MHZ.地的连接一般用电感,电源的连接也用电感,而对信号线则常采用磁珠。

      RS485总线浪涌防护器件

      贴片电感WCM-3216-222T  集成阵列瞬变二极管SM712 自恢复保险丝NANOSMDC012F-2  1206 0.12A

    0571-87774297