商铺名称:天津光达航电科技有限公司
联系人:彭学节(先生)
联系手机:
固定电话:
企业邮箱:trueleven@126.com
联系地址:胜利路北岸华庭一层246室
邮编:254874
联系我时,请说是在地方电气网上看到的,谢谢!
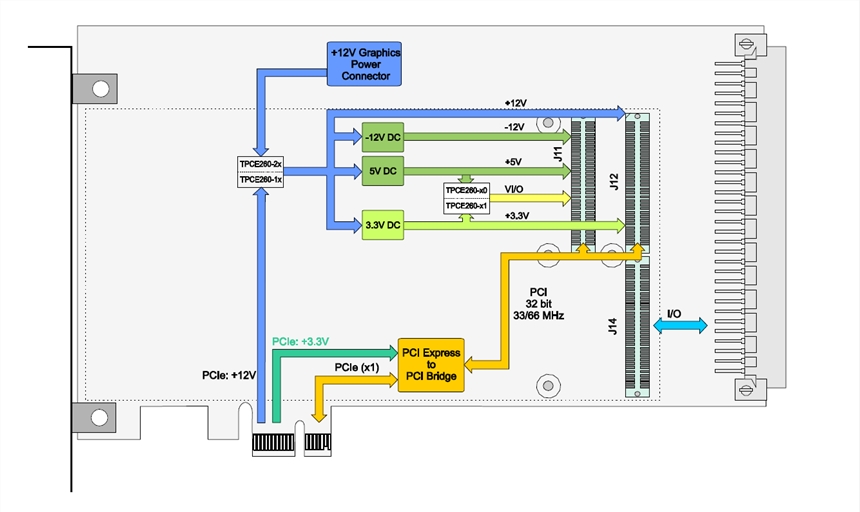
PCIE1.1标准兼容
提供一个PMC槽位
PCI规范33/66MHZ 32bit
PCI IO信号电压 3.3v或5v
电源由12V转化
TPCE60是一个标准的高度PCI Express版本1.1兼容的模块,提供了一个槽用于安装标准PMC模块,灵活和成本有效的I/O解决方案的各种应用如过程控制、医疗系统、电信和交通控制。
桥接PCI Express x1连接到主机板和PCI总线信号的PMC槽之间是由透明的PCIe到PCI桥pi7c9x111sl。
可以用于板卡的使用和测试。
PCIE转PMC 接口卡 PMC转接卡 PMC载板 PMC适配卡 适配器
PCIE转PMC载板
PMC转PCIE
PCIE 1.1兼容
PCIE X1




