商铺名称:深圳市鸿昌伟业电子科技有限公司
联系人:黄春雷(小姐)
联系手机:
固定电话:
企业邮箱:1405387227@qq.com
联系地址:深圳市宝安区沙井镇南环路华丰高新产业园D座3楼
邮编:518104
联系我时,请说是在地方电气网上看到的,谢谢!
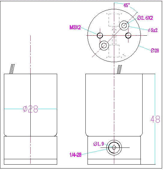
技术参数 Technical Data
|
型号 Model
|
HC-KE02D/28-24V |
|
驱动方式 Drive method |
电磁线圈 Electromagnetic coil |
|
通径Latus rectum (mm) |
1.6 |
|
阀体材质Material of valve body |
PCTFE |
|
耐压Pressurization (Mpa)
|
1.5 |
|
接口形式Interface form |
防脱插管、英制1/4-28 |
|
密封件材质Seal material |
全氟醚 FFKM |
|
电压 Voltage |
DC24V |
|
功率消耗Power consumption (W) |
6 |
|
响应时间 Response time |
<30ms
|
|
泄漏率Leak rate |
0 |
|
负载周期Load cycle |
可连续工作It can work continuously |
|
流体温度Fluid temperature |
0 ~ 180℃ |
|
环境温度 Environment temperature |
0 ~ 60 ℃ |
|
重量Weight (kg) |
0.07 |

