盐城34EP-H10B-TZ,电磁换向阀,总代直销|
盐城34EP-H10B-TZ,电磁换向阀,总代直销|
产品价格:¥888(人民币)
  • 规格:气缸
  • 发货地:无锡
  • 品牌:
  • 最小起订量:1个
  • 诚信商家
    会员级别:钻石会员
    认证类型:企业认证
    企业证件:通过认证

    商铺名称:无锡凯维联液压机械有限公司

    联系人:张明鑫(先生)

    联系手机:

    固定电话:

    企业邮箱:206567770@qq.com

    联系地址:无锡凯维联液压机械有限公司

    邮编:214011

    联系我时,请说是在地方电气网上看到的,谢谢!

    商品详情

      盐城34EP-H10B-TZ,电磁换向阀,总代直销|盐城34EP-H10B-TZ,电磁换向阀,总代直销|
      盐城34EP-H10B-TZ,电磁换向阀,总代直销|
      节流阀是通过改变节流截面或节流长度以控制流体流量的阀门。将节流阀和单向阀并联则可组合成单向节流阀。节流阀和单向节流阀是简易的流量控制阀,在定量泵液压系统中,节流阀和溢流阀配合,可组成三种节流调速系统,即进油路节流调速系统、回油路节流调速系统和旁路节流调速系统。节流阀没有流量负反馈功能,不能补偿由负载变化所造成的速度不稳定,一般仅用于负载变化不大或对速度稳定性要求不高的场合。
      盐城34EP-H10B-TZ,电磁换向阀,总代直销|

      分流阀也称速度同来步阀,是液压阀中分流阀,集流阀,单向分流阀,单向集流阀和比例分流阀的总称.同步阀主要是应用于双缸及多源缸同步控制液压系统中。通常实现同步运动的方法很多,但其中以采用分流集流阀-同步阀的同步控制液压系统具有结构简单、成本低、制造容易、可靠性强等许多优点,因而同步阀在液压系统中得到百了广泛的应用。分流集流阀的同步是速度同步,当两油缸或多度个油缸分别承受不同的负载时,分流集流阀仍能保证其同步运动。

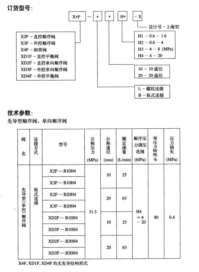
      卸荷阀是在一定条件下,能使液压泵卸荷的阀。 卸荷阀通常是一个带二位二通阀(常为电磁阀)的溢流阀,功能是不卸荷时用作设定系统(油泵)主压力,当卸荷状态时(靠二位二通阀动作转换)压力油直接返回油箱,油泵压力下降至近似为零,以实现一些回路控制和提高油泵寿命,减少功耗。在回路中属于并入回路的。减压阀用于调整执行元件所需压力,是串联在回路中的,一般不能互换使用。
       盐城34EP-H10B-TZ,电磁换向阀,总代直销|
      1、溢流阀:在定量泵节流调节系统中,定量泵提供恒定流量。当系统压力增加时,流量需求减少。此时,安全阀打开,使多余的流量返回油箱,以确保安全阀的进口压力,即泵的出口压力恒定(阀口常随压力波动而打开)。
      2、卸荷阀:自动控制泵卸荷或加载。鉴于卸荷安全阀的作用,卸荷压力与加载压力存在一定的差异。如果压差太小,泵的卸载和加载会太频繁;如果压差太大,系统的压力会变化太大。
      卸荷阀和溢流阀有区别。
      盐城34EP-H10B-TZ,电磁换向阀,总代直销|

      一、性质不同
      1、卸荷阀:是在一定条件下,能使液压泵卸荷的阀。
      2、溢流阀:是一种液压压力控制阀。
      盐城34EP-H10B-TZ,电磁换向阀,总代直销|
      二、功能不同
      1、卸荷阀:自动控制泵的卸荷或加载。鉴于卸荷溢流阀的功用,要求卸荷压力与加载压力之间存在一定差别。差值过小,则泵的卸荷与加载动作过于频繁;差值过大,则系统压力变化太大。

      盐城34EP-H10B-TZ,电磁换向阀,总代直销|
      2、溢流阀:在定量泵节流调节系统中,定量泵提供的是恒定流量。当系统压力增大时,会使流量需求减小。此时溢流阀开启,使多余流量溢回油箱,保证溢流阀进口压力,即泵出口压力恒定(阀口常随压力波动开启)。

      调速阀是由定差减压阀与节流阀串联而成的组合阀。节流阀用来调节通过的流量,定差减压阀则自动补偿负载变化的影响,使节流阀前后的压差为定值,消除了负载变化对流量的影响。

      盐城34EP-H10B-TZ,电磁换向阀,总代直销|
      节流阀前、后的压力分别引到减压阀阀芯右、左两端,当负载压力增大,于是作用在减压阀芯左端的液压力增大,阀芯右移,减压口加大,压降减小,从而使节流阀的压差保持不变;反之亦然。这样就是调速阀的流量恒定不变(不受负载影响)。调速阀也可以设计成先节流后减压的结构。
      盐城34EP-H10B-TZ,电磁换向阀,总代直销|

    0571-87774297