安科瑞WHD20R-22/CJ开关柜温湿度控制器2路测量温湿度报警导轨安装
安科瑞WHD20R-22/CJ开关柜温湿度控制器2路测量温湿度报警导轨安装
产品价格:¥518(人民币)
  • 规格:DIN35mm导轨安装
  • 发货地:江苏无锡市
  • 品牌:
  • 最小起订量:1台
  • 免费会员
    会员级别:试用会员
    认证类型:企业认证
    企业证件:通过认证

    商铺名称:安科瑞电气上海厂家直销店

    联系人:安科瑞彭姝麟(小姐)

    联系手机:

    固定电话:

    企业邮箱:2885050128@qq.com

    联系地址:上海市嘉定区253号

    邮编:201801

    联系我时,请说是在地方电气网上看到的,谢谢!

    商品详情


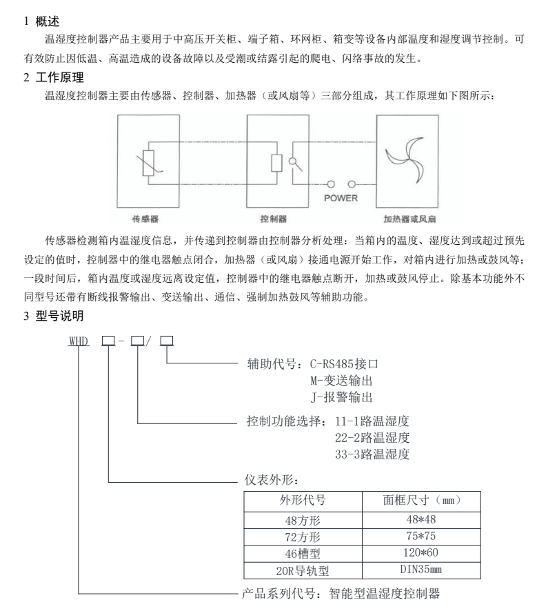
      1. 功能特点
        • 测量与显示:能够测量并以数码管方式显示两路温度和两路湿度值,方便用户直观地了解当前环境的温湿度状况。
        • 控制功能:可通过控制外接的风扇与加热器对温度与湿度值进行调节。当环境温度或湿度超出设定范围时,控制器会自动启动相应的设备进行降温、升温、除湿等操作,有效防止因低温、高温、受潮或结露引起的设备故障、爬电、闪络等事故的发生。
        • 故障指示:具有加热器、传感器故障指示功能,当加热器出现故障或传感器异常时,能够及时提醒用户进行检修和维护。
        • 变送功能:可以将测量的温湿度信号转换为标准的电信号输出,方便与其他设备进行连接和数据传输。
        • 通讯功能:带有 RS485 通讯接口,支持 Modbus-RTU 协议,可实现远程监控和管理,用户可以通过上位机软件对控制器进行参数设置、数据读取和控制操作。
      2. 技术参数
        • 温度控制范围:加热升温时,一般在环境温度≤5℃时启动,≥13℃时停止;鼓风降温时,在环境温度≥40℃时启动,≤35℃时停止。
        • 湿度控制范围:加热去湿通常在环境湿度≥85% 时启动,≤77% 时停止。
        • 精度:温度精度为 ±3℃,湿度精度为 ±5% RH。
        • 触点容量:输出触点容量为 5A/AC250V(无源接点),可满足一般的控制需求。
        • 辅助电源:支持 AC85~265V、DC100~350V 宽范围的电源输入,功耗≤3VA。
      3. 应用范围:主要应用于中高压开关柜、端子箱、环网柜、箱变等对温湿度控制有较高要求的电力设备场所。
    0571-87774297