CPA证书CE认证安科瑞ADL400导轨式多功能电能表
CPA证书CE认证安科瑞ADL400导轨式多功能电能表
产品价格:¥329(人民币)
  • 规格:ADL400/FC
  • 发货地:江苏无锡市
  • 品牌:
  • 最小起订量:1只
  • 免费会员
    会员级别:试用会员
    认证类型:企业认证
    企业证件:通过认证

    商铺名称:安科瑞电气上海厂家直销店

    联系人:安科瑞彭姝麟(小姐)

    联系手机:

    固定电话:

    企业邮箱:2885050128@qq.com

    联系地址:上海市嘉定区253号

    邮编:201801

    联系我时,请说是在地方电气网上看到的,谢谢!

    商品详情

      一、产品功能

            集成常见电力参数测量及电能计量及考核管理,提供上 48 月的各类电能数据统计。具有 2~31 次分次谐波与总谐波含量检测。带有 RS485 通信接口,可选用 MODBUS-RTU 或 DL/T645 协议。该电力仪表可广泛应用于各种控制系统,SCADA 系统和能源管理系统中。


      二、型号命名


      三、功能说明


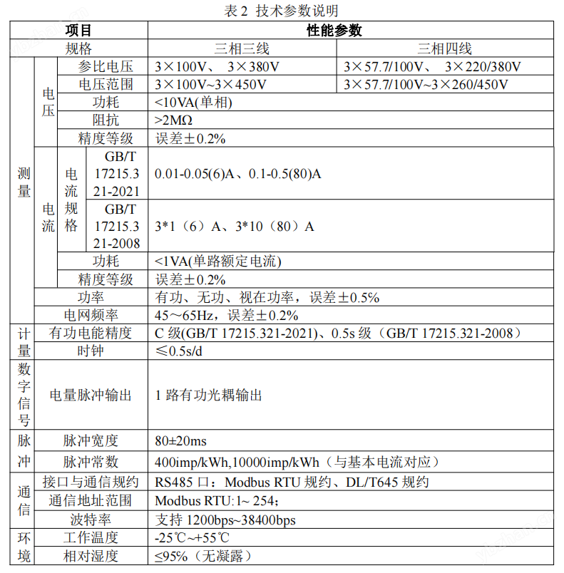
      四、技术参数


      五、外形尺寸


      六、应用方案





    0571-87774297