RDM542步进驱动器
RDM542步进驱动器
产品价格:(人民币)
  • 规格:RDM542
  • 发货地:广东深圳市
  • 品牌:
  • 最小起订量:1台
  • 免费会员
    会员级别:试用会员
    认证类型:企业认证
    企业证件:通过认证

    商铺名称:深圳市鑫睿创科技有限公司

    联系人:(先生)

    联系手机:

    固定电话:

    企业邮箱:670722209@qq.com

    联系地址:深圳市南山区南山云谷创业园二期5栋2楼

    邮编:

    联系我时,请说是在地方电气网上看到的,谢谢!

    商品详情

      RDM542步进驱动器

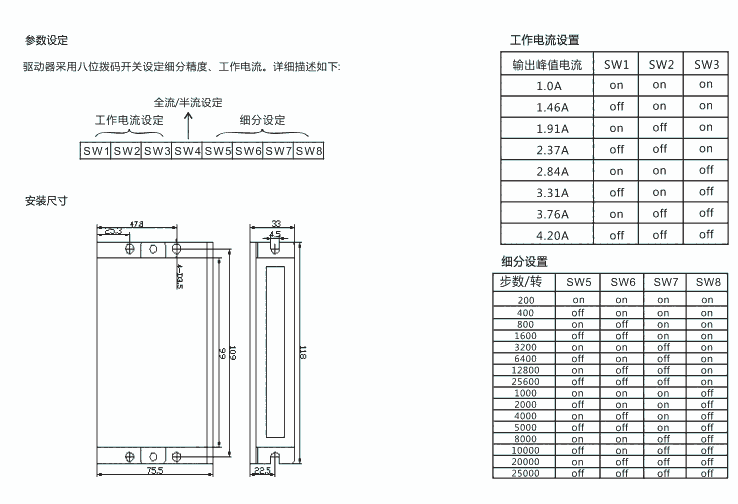
      ? RDM542系列步进驱动器,基于新一代32位处理器,采用内部PID电流控制算法设计,具有优异的性能表现。? ? ??

    0571-87774297