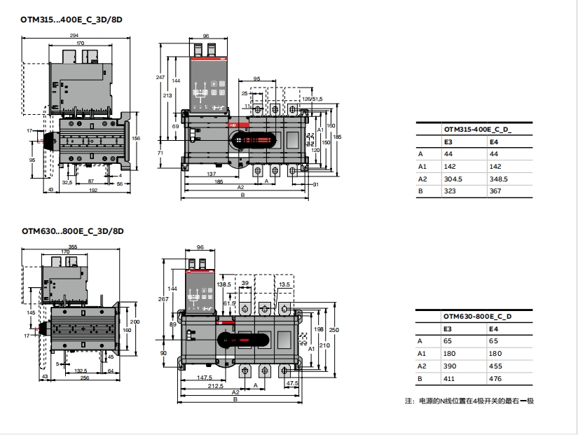
ABB双电源(PC级自动转换开关)OTM2500E3CM230C   正品原装
ABB双电源(PC级自动转换开关)OTM2500E3CM230C 正品原装
产品价格:¥46220(人民币)
  • 规格:符合 IEC 60947-3 标准
  • 发货地:广东广州市
  • 品牌:
  • 最小起订量:1件
  • 诚信商家
    会员级别:钻石会员
    认证类型:企业认证
    企业证件:通过认证

    商铺名称:上海通为电气设备有限公司

    联系人:何经理(小姐)

    联系手机:

    固定电话:

    企业邮箱:3492990179@qq.com

    联系地址:

    邮编:

    联系我时,请说是在地方电气网上看到的,谢谢!

    商品详情
    0571-87774297