Rexroth力士乐4WREE6和4WREE10 比例方向阀,高频响比例伺服阀
Rexroth力士乐4WREE6和4WREE10 比例方向阀,高频响比例伺服阀
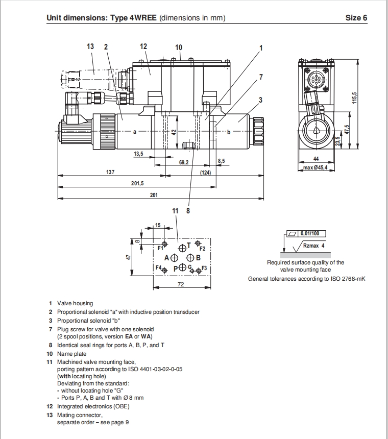
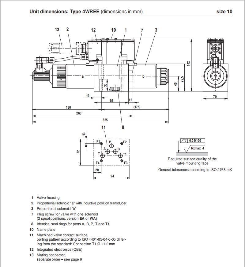
直动式,二位四通,三位四通,比例方向阀,
带电气位置反馈,不带集成电子元件(OBE)
型号 4WRE 和 4WREE
规格 6 和 10
组件系列 2X
max工作压力 315 bar
max流量:80 L/min(规格6)
max流量:180 L/min(规格10)
特征
– 带电子位置反馈和 4WREE型集成电子元件(OBE)的直动式比例换向阀
– 控制流向和大小
– 通过带中心螺纹和可分离线圈的比例电磁阀进行操作
– 对于底板安装:符合ISO 4401的端口样式
– 以弹簧为中心的控制阀芯
– 控制电子
* 4WREE类型:具有电压或电流输入(A1和/或F1)的集成电子设备(OBE)
* 4WRE(4/3版本),单独订购:
欧洲卡格式的数字和模拟放大器
模块化设计的模拟放大器
* 类型4WRE…A(4/2版本),单独订购:模块化设计的模拟放大器
上海心雨机电设备有限公司
李帅 15000970620(微信同号)
电话:021-60510260
传真:021-55032832
业务QQ:573058713
咨询QQ:1052474999
欢迎广大新老客户来电咨询,我们竭诚为您服务!
友情提示:因工业液压、自动化进口品牌型号繁多,欧美产品价格实时变化
因此很难实时标出准确价格,请以业务员实际报价单价格为准!谢谢理解。
*注:网上标价为系统随机生成不做任何参考*
工作时间8:30—17:30(周六、日休息)
优选型号:
订货代码----型号
4WREE10系列 10通径:
R900958157 4WREE10E1-25-2X/G24K31/A1V
R901268119 4WREE10E1-25-2X/G24K31/A1V-280
R901066667 4WREE10E1-25-2X/G24K31/F1V
R900933076 4WREE10E1-50-2X/G24K31/A1V
R901162016 4WREE10E1-50-2X/G24K31/A1V-280
R901354776 4WREE10E1-50-2X/G24K31/F1M
R900703908 4WREE10E1-50-2X/G24K31/F1V
R901381875 4WREE10E1-75-2X/G24K31/A1M
R900927232 4WREE10E1-75-2X/G24K31/A1V
R901268118 4WREE10E1-75-2X/G24K31/A1V-280
R901354778 4WREE10E1-75-2X/G24K31/F1M
R900970089 4WREE10E1-75-2X/G24K31/F1V
R900933073 4WREE10E25-2X/G24K31/A1V
R901112728 4WREE10E25-2X/G24K31/A1V-280
R900956574 4WREE10E25-2X/G24K31/F1V
R900949382 4WREE10E3-50-2X/G24K31/A1V
R901363566 4WREE10E3-50-2X/G24K31/F1V
R900972424 4WREE10E3-75-2X/G24K31/A1V
R901048034 4WREE10E3-75-2X/G24K31/F1V
R900927231 4WREE10E50-2X/G24K31/A1V
R901126284 4WREE10E50-2X/G24K31/A1V-280
R901354780 4WREE10E50-2X/G24K31/F1M
R900943094 4WREE10E50-2X/G24K31/F1V
R901356207 4WREE10E75-2X/G24K31/A1M
R900927230 4WREE10E75-2X/G24K31/A1V
R900716433 4WREE10E75-2X/G24K31/A1V-280
R901354781 4WREE10E75-2X/G24K31/F1M
R900927356 4WREE10E75-2X/G24K31/F1V
R901395952 4WREE10E75-2X=G24K31/A1V
R900967790 4WREE10EA25-2X/G24K31/A1V
R900767561 4WREE10EA25-2X/G24K31/F1V
R900939866 4WREE10EA50-2X/G24K31/A1V
R900971420 4WREE10EA50-2X/G24K31/F1V
R900940191 4WREE10EA75-2X/G24K31/A1V
R900976330 4WREE10EA75-2X/G24K31/F1V
R900710343 4WREE10EB50-2X/G24K31/A1V
R900950497 4WREE10EB75-2X/G24K31/A1V
R900724343 4WREE10EB75-2X/G24K31/F1V
R900927237 4WREE10Q2-50-2X/G24K31/A1V
R900927236 4WREE10Q2-75-2X/G24K31/A1V
R901066046 4WREE10Q5-50-2X/G24K31/A1V
R901028415 4WREE10R3-75-2X/G24K31/A1V
R901341484 4WREE10R3-75-2X/G24K31/F1V
R901037424 4WREE10R75-2X/G24K31/A1V
R900724591 4WREE10R75-2X/G24K31/F1V
R901007660 4WREE10R75-2X/G24K31/F1V-741
R900950365 4WREE10V1-25-2X/G24K31/A1V
R900976334 4WREE10V1-25-2X/G24K31/F1V
R900943804 4WREE10V1-50-2X/G24K31/A1V
R900972643 4WREE10V1-50-2X/G24K31/F1V
R901233907 4WREE10V1-50-2X/G24K31/F1V-876
R901412403 4WREE10V1-75-2X/G24K31/A1M
R900950902 4WREE10V1-75-2X/G24K31/A1V
R901400160 4WREE10V1-75-2X/G24K31/F1M
R901024870 4WREE10V1-75-2X/G24K31/F1V
R900933075 4WREE10V25-2X/G24K31/A1V
R900779950 4WREE10V25-2X/G24K31/F1V
R900927235 4WREE10V50-2X/G24K31/A1V
R901354782 4WREE10V50-2X/G24K31/F1M
R900924975 4WREE10V50-2X/G24K31/F1V
R900924607 4WREE10V75-2X/G24K31/A1V
R901354783 4WREE10V75-2X/G24K31/F1M
R900617269 4WREE10V75-2X/G24K31/F1V


R900956458 4WREE10W1-25-2X/G24K31/A1V
R900962405 4WREE10W1-25-2X/G24K31/F1V
R900933077 4WREE10W1-50-2X/G24K31/A1V
R901154931 4WREE10W1-50-2X/G24K31/A1V-280
R901354784 4WREE10W1-50-2X/G24K31/F1M
R900965185 4WREE10W1-50-2X/G24K31/F1V
R901371014 4WREE10W1-75-2X/G24K31/A1M
R900927234 4WREE10W1-75-2X/G24K31/A1V
R901154933 4WREE10W1-75-2X/G24K31/A1V-280
R901354786 4WREE10W1-75-2X/G24K31/F1M
R900976119 4WREE10W1-75-2X/G24K31/F1V
R901185591 4WREE10W2-75-2X/G24K31/A1V
R901377557 4WREE10W25-2X/G24K31/A1M
R900933074 4WREE10W25-2X/G24K31/A1V
R901127151 4WREE10W25-2X/G24K31/A1V-280
R900953102 4WREE10W25-2X/G24K31/F1V
R900935771 4WREE10W3-25-2X/G24K31/A1V
R900931319 4WREE10W3-50-2X/G24K31/A1V
R900969321 4WREE10W3-75-2X/G24K31/A1V
R900244748 4WREE10W3-75-2X/G24K31/F1V
R901447107 4WREE10W50-2X/G24K31/A1M
R900931371 4WREE10W50-2X/G24K31/A1V
R900974227 4WREE10W50-2X/G24K31/A1V-280
R901354788 4WREE10W50-2X/G24K31/F1M
R900949806 4WREE10W50-2X/G24K31/F1V
R901446211 4WREE10W75-2X/G24K31/A1M
R900927233 4WREE10W75-2X/G24K31/A1V
R901135118 4WREE10W75-2X/G24K31/A1V-280
R901354791 4WREE10W75-2X/G24K31/F1M
R900948360 4WREE10W75-2X/G24K31/F1V
R901430295 4WREE10WA25-2X/G24K31/A1V
R901060996 4WREE10WA25-2X/G24K31/F1V
R900247296 4WREE10WA50-2X/G24K31/A1V
R901063131 4WREE10WA50-2X/G24K31/F1V
R901002587 4WREE10WA75-2X/G24K31/A1V
R900963483 4WREE10WA75-2X/G24K31/F1V
R901097145 4WREE10WB50-2X/G24K31/A1V
R900960910 4WREE10WB50-2X/G24K31/F1V
R900960911 4WREE10WB50-2X/G24K31/F1V
R901268120 4WREE10WB75-2X/G24K31/A1V
R901244712 4WREE10XA00-2X/G24K31/A1V-953
4WREE6系列 6通径:
R900938420 4WREE6E04-2X/G24K31/A1V
R900978168 4WREE6E04-2X/G24K31/F1V
R901514051 4WREE6E04-3X/V/24A1
R900912156 4WREE6E08-2X/G24K31/A1V
R900974228 4WREE6E08-2X/G24K31/A1V-280
R901354730 4WREE6E08-2X/G24K31/F1M
R900928726 4WREE6E08-2X/G24K31/F1V
R901514664 4WREE6E08-3X/M/24F1
R901496433 4WREE6E08-3X/V/24A1
R901496434 4WREE6E08-3X/V/24F1
R901394155 4WREE6E1-08-2X/G24K31/A1M
R900933794 4WREE6E1-08-2X/G24K31/A1V
R901354733 4WREE6E1-08-2X/G24K31/F1M
R900976811 4WREE6E1-08-2X/G24K31/F1V
R901514690 4WREE6E1-08-3X/M/24F1
R901394310 4WREE6E1-16-2X/G24K31/A1M
R900915686 4WREE6E1-16-2X/G24K31/A1V
R901155084 4WREE6E1-16-2X/G24K31/A1V-280
R900617482 4WREE6E1-16-2X/G24K31/F1V
R901524426 4WREE6E1-16-3X/M/24A1
R901514691 4WREE6E1-16-3X/V/24A1
R901368370 4WREE6E1-32-2X/G24K31/A1M
R900928553 4WREE6E1-32-2X/G24K31/A1V
R901154930 4WREE6E1-32-2X/G24K31/A1V-280
R901354735 4WREE6E1-32-2X/G24K31/F1M
R900949222 4WREE6E1-32-2X/G24K31/F1V
R901514693 4WREE6E1-32-3X/M/24F1
R901496446 4WREE6E1-32-3X/V/24A1
R901496448 4WREE6E1-32-3X/V/24F1
R901371016 4WREE6E16-2X/G24K31/A1M
R900920567 4WREE6E16-2X/G24K31/A1V
R900974920 4WREE6E16-2X/G24K31/A1V-280
R900941623 4WREE6E16-2X/G24K31/F1V
R901524427 4WREE6E16-3X/M/24A1
R901496427 4WREE6E16-3X/V/24A1
R901496443 4WREE6E16-3X/V/24F1
R901312781 4WREE6E3-16-2X/G24K31/A1V
R900706670 4WREE6E3-32-2X/G24K31/A1V
R900957273 4WREE6E3-32-2X/G24K31/F1V
R900907114 4WREE6E32-2X/G24K31/A1V
R900974914 4WREE6E32-2X/G24K31/A1V-280
R901354736 4WREE6E32-2X/G24K31/F1M
R900925733 4WREE6E32-2X/G24K31/F1V
R900965748 4WREE6E32-2X/G24N9K31/A1V
R901514694 4WREE6E32-3X/M/24F1
R901496430 4WREE6E32-3X/V/24A1
R901496447 4WREE6E32-3X/V/24A1-204
R901496435 4WREE6E32-3X/V/24F1
R901349814 4WREE6EA04-2X/G24K31/A1V
R900950317 4WREE6EA08-2X/G24K31/A1V
R900937147 4WREE6EA08-2X/G24K31/F1V
R900913433 4WREE6EA16-2X/G24K31/A1V
R900973289 4WREE6EA16-2X/G24K31/F1V
R901513305 4WREE6EA16-3X/V/24A1
R900912521 4WREE6EA32-2X/G24K31/A1V
R900929889 4WREE6EA32-2X/G24K31/F1V
R901032102 4WREE6EB04-2X/G24K31/F1V
R901073284 4WREE6EB08-2X/G24K31/A1V
R901063172 4WREE6EB08-2X/G24K31/F1V
R901526177 4WREE6EB08-3X/V/24F1
R900776804 4WREE6EB16-2X/G24K31/A1V
R901526179 4WREE6EB16-3X/V/24A1
R900932498 4WREE6EB32-2X/G24K31/A1V
R900964078 4WREE6EB32-2X/G24K31/F1V
R901526180 4WREE6EB32-3X/V/24A1
R901526184 4WREE6EB32-3X/V/24F1
R900930422 4WREE6M32-2X/G24K31/F1V
R900912149 4WREE6Q2-08-2X/G24K31/A1V
R901250869 4WREE6Q2-08-2X/G24K31/F1V
R900912150 4WREE6Q2-16-2X/G24K31/A1V
R900912154 4WREE6Q2-32-2X/G24K31/A1V
R901287575 4WREE6Q2-32-2X/G24K31/F1V
R901192082 4WREE6Q5-08-2X/G24K31/A1V
R900936357 4WREE6V04-2X/G24K31/A1V
R900976331 4WREE6V04-2X/G24K31/F1V
R900909367 4WREE6V08-2X/G24K31/A1V
R901354737 4WREE6V08-2X/G24K31/F1M
R900921427 4WREE6V08-2X/G24K31/F1V
R901514696 4WREE6V08-3X/M/24F1
R901496436 4WREE6V08-3X/V/24A1
R900935426 4WREE6V1-08-2X/G24K31/A1V
R901393960 4WREE6V1-08-2X/G24K31/F1M
R900949863 4WREE6V1-08-2X/G24K31/F1V
R900931195 4WREE6V1-16-2X/G24K31/A1V
R901393939 4WREE6V1-16-2X/G24K31/F1M
R900949899 4WREE6V1-16-2X/G24K31/F1V
R900914841 4WREE6V1-32-2X/G24K31/A1V
R901414450 4WREE6V1-32-2X/G24K31/F1M
R900709937 4WREE6V1-32-2X/G24K31/F1V
R900907440 4WREE6V16-2X/G24K31/A1V
R900940561 4WREE6V16-2X/G24K31/F1V
R901176334 4WREE6V16-2X=G24K31/A1V
R901496440 4WREE6V16-3X/V/24A1
R900911681 4WREE6V32-2X/G24K31/A1V
R901007746 4WREE6V32-2X/G24K31/A1V-280
R901284535 4WREE6V32-2X/G24K31/A1V-968
R901354740 4WREE6V32-2X/G24K31/F1M
R900926747 4WREE6V32-2X/G24K31/F1V
R901267680 4WREE6V32-2X=G24K31/A1V-280
R901514698 4WREE6V32-3X/M/24F1
R901496439 4WREE6V32-3X/V/24A1
R901496450 4WREE6V32-3X/V/24F1
R900246469 4WREE6W04-2X/G24K31/A1V
R900967564 4WREE6W04-2X/G24K31/F1V
R901496445 4WREE6W04-3X/V/24A1
R900923000 4WREE6W08-2X/G24K31/A1V
R901278020 4WREE6W08-2X/G24K31/A1V-280
R901354748 4WREE6W08-2X/G24K31/F1M
R900924283 4WREE6W08-2X/G24K31/F1V
R901514699 4WREE6W08-3X/M/24F1
R900929827 4WREE6W1-08-2X/G24K31/A1V
R901003235 4WREE6W1-08-2X/G24K31/A1V-280
R901354749 4WREE6W1-08-2X/G24K31/F1M
R900965071 4WREE6W1-08-2X/G24K31/F1V
R901514665 4WREE6W1-08-3X/M/24F1
R901496444 4WREE6W1-08-3X/V/24A1
R901496449 4WREE6W1-08-3X/V/24F1
R901394157 4WREE6W1-16-2X/G24K31/A1M
R900939627 4WREE6W1-16-2X/G24K31/A1V
R901154928 4WREE6W1-16-2X/G24K31/A1V-280
R901421940 4WREE6W1-16-2X/G24K31/F1M
R900937065 4WREE6W1-16-2X/G24K31/F1V
R901496451 4WREE6W1-16-3X/V/24F1
R901368371 4WREE6W1-32-2X/G24K31/A1M
R900913359 4WREE6W1-32-2X/G24K31/A1V
R901362947 4WREE6W1-32-2X/G24K31/A1V-660
R901354752 4WREE6W1-32-2X/G24K31/F1M
R900933476 4WREE6W1-32-2X/G24K31/F1V
R901514667 4WREE6W1-32-3X/M/24F1
R901496442 4WREE6W1-32-3X/V/24A1
R901496441 4WREE6W1-32-3X/V/24F1
R900925657 4WREE6W16-2X/G24K31/A1V
R901362073 4WREE6W16-2X/G24K31/F1M
R900950416 4WREE6W16-2X/G24K31/F1V
R901496437 4WREE6W16-3X/V/24A1
R900929205 4WREE6W2-32-2X/G24K31/A1V
R901513306 4WREE6W2-32-3X/V/24A1
R900911004 4WREE6W32-2X/G24K31/A1V
R901354753 4WREE6W32-2X/G24K31/F1M
R900246793 4WREE6W32-2X/G24K31/F1V
R901355277 4WREE6W32-2X=G24K31/A1V
R901514666 4WREE6W32-3X/M/24F1
R901496432 4WREE6W32-3X/V/24A1
R901496438 4WREE6W32-3X/V/24F1
R900761481 4WREE6W9-16-2X/G24K31/A1V
R900783449 4WREE6W9-32-2X/G24K31/A1V
R901185980 4WREE6WA04-2X/G24K31/F1V
R900973482 4WREE6WA08-2X/G24K31/A1V
R901180378 4WREE6WA08-2X/G24K31/F1V
R901526164 4WREE6WA08-3X/V/24A1
R901526166 4WREE6WA08-3X/V/24F1
R900974247 4WREE6WA16-2X/G24K31/A1V
R900617766 4WREE6WA16-2X/G24K31/F1V
R901497575 4WREE6WA16-3X/V/24A1
R901526158 4WREE6WA16-3X/V/24F1
R900926997 4WREE6WA32-2X/G24K31/A1V
R900964934 4WREE6WA32-2X/G24K31/F1V
R901497573 4WREE6WA32-3X/V/24A1
R901526163 4WREE6WA32-3X/V/24F1
R900780141 4WREE6WB32-2X/G24K31/A1V
R901526168 4WREE6WB32-3X/V/24A1
R901395707 4WREEM10E1-25-2X/G24K34/B6V
R900787894 4WREEM10E1-50-2X/G24K34/B6V
R901090746 4WREEM10E1-75-2X/G24K34/B6V
R901246417 4WREEM10E1-75-2X=G24K34/B6V
R900727833 4WREEM10E25-2X/G24K34/B6V
R900246856 4WREEM10E50-2X/G24K34/B6V
R900246617 4WREEM10E75-2X/G24K34/B6V
R901084068 4WREEM10R3-75-2X/G24K34/B6V
R901030889 4WREEM10W1-50-2X/G24K34/B6V
R901083029 4WREEM10W1-75-2X/G24K34/B6V
R901199059 4WREEM10W25-2X/G24K34/B6V
R901326891 4WREEM10W50-2X/G24K34/B6V
R901008707 4WREEM10W75-2X/G24K34/B6V
R900778356 4WREEM6E04-2X/G24K34/B6V
R900246858 4WREEM6E08-2X/G24K34/B6V
R901229220 4WREEM6E1-08-2X/G24K34/B6V
R900778354 4WREEM6E1-16-2X/G24K34/B6V
R901037662 4WREEM6E1-32-2X/G24K34/B6V
R900246618 4WREEM6E16-2X/G24K34/B6V
R901289420 4WREEM6E16J-2X/G24K34/B6V-970
R901426156 4WREEM6E32-2X/G24K34/B6M
R900707192 4WREEM6E32-2X/G24K34/B6V
R901132922 4WREEM6W04-2X/G24K34/B6V
R901264639 4WREEM6W08-2X/G24K34/B6V
R901092221 4WREEM6W1-08-2X/G24K34/B6V
R900778355 4WREEM6W1-16-2X/G24K34/B6V
R901037664 4WREEM6W1-32-2X/G24K34/B6V
R901267817 4WREEM6W1-32-2X=G24K34/B6V
R900781690 4WREEM6W16-2X/G24K34/B6V
R901005786 4WREEM6W32-2X/G24K34/B6V
R901311217 4WREEM6W9-32-2X/G24K34/B6V
上海心雨机电设备有限公司优势销售联系人:李帅 15000970620/021-60510260业务QQ:573058713 咨询QQ:1052474999欢迎广大新老客户来电咨询,我们竭诚为您服务!
我们经营的产品有:
德国REXROTH(力士乐)
德国SIEMENS(西门子)
德国AIRTEC(爱尔泰克)
德国FESTO(费斯托)
德国VOITH(福伊特)电液转换器
德国P+F(倍加福)
意大利ATOS(阿托斯)
意大利DUPLOMATIC(迪普马)
奥地利B&R(贝加莱)
丹麦Danfoss(丹佛斯)
美国AI-TEK(阿泰克)
美国Bently(本特利)
美国ASCO(阿斯卡)
美国MOOG(穆格)
美国PARKER(派克)
美国SUN Hydraulics(太阳)
在此欢迎新老客户来电垂询,我们将竭诚为您服务,客户的满意,就是我们的成功!
经过公司所有员工的协力合作,客户遍及电力、冶金、化工、石油、汽车、环保等众多行业。
得到了众多国内外著名企业如:博世力士乐公司、伊顿流体动力、派克汉尼汾流体传动等众多厂商的支持与他们长期的合作。