MIPI测试示波器夹具PCB高速信号下降时间泰克Tektronix
MIPI测试示波器夹具PCB高速信号下降时间泰克Tektronix
产品价格:¥1200.00(人民币)
  • 规格:完善
  • 发货地:上海上海
  • 品牌:
  • 最小起订量:1
  • 免费会员
    会员级别:试用会员
    认证类型:企业认证
    企业证件:通过认证

    商铺名称:上海博达数据通信有限公司

    联系人:招商部(先生)

    联系手机:

    固定电话:

    企业邮箱:13482503071@139.com

    联系地址:中国(上海)自由贸易试验区居里路123号

    邮编:200120

    联系我时,请说是在地方电气网上看到的,谢谢!

    商品详情
      产品参数
      品牌是得科技
      封装/规格原装
      记录长度5M点
      批号24010923
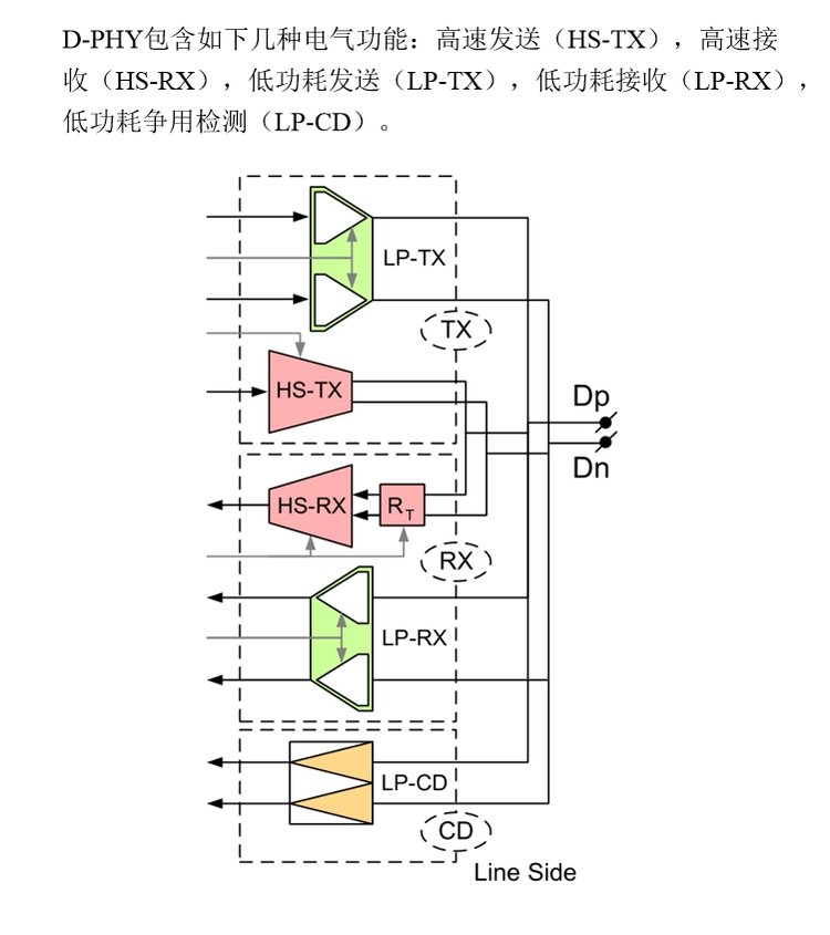
      系列C PHY
      工作电源市电
      是否出租
      应用产品电子产品
      包装
      是否现货
      模拟通道1-4个
      储存容量6Mpts
      定制服务支持
      颜色灰色
      可售卖地北京;天津;河北;山西;上海;江苏;浙江;安徽;福建;江西;山东;河南;湖北;湖南;广东;广西;重庆;四川;贵州;云南;西藏;陕西;甘肃;青海;宁夏
      用途数据测试

    0571-87774297