HJLL-95\/B霍穆思零序电流继电器设定技巧内部接线实物图
HJLL-95\/B霍穆思零序电流继电器设定技巧内部接线实物图
产品价格:¥82.00(人民币)
  • 规格:完善
  • 发货地:浙江温州
  • 品牌:
  • 最小起订量:1
  • 诚信商家
    会员级别:钻石会员
    认证类型:企业认证
    企业证件:通过认证

    商铺名称:浙江霍穆思电气有限公司

    联系人:陈经理(先生)

    联系手机:

    固定电话:

    企业邮箱:ZJHUOMUSI@163.com

    联系地址:新光工业新光大道115号

    邮编:325604

    联系我时,请说是在地方电气网上看到的,谢谢!

    商品详情
      产品参数
      HJLL-95/B霍穆思零序电流继电器设定技巧 内部接线 实物图 品牌霍穆思
      产品特性保护
      是否进口
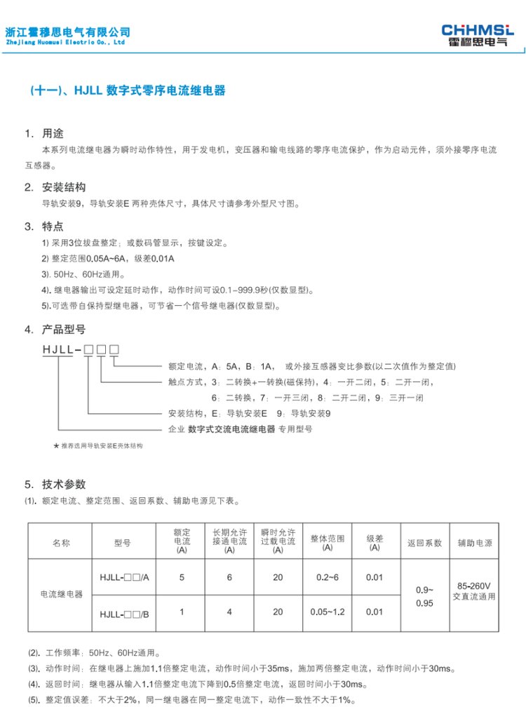
      系列HJLL系列
      额定电流5A/1A
      整定电流0~9.99A
      安装方式导轨安装
      灭弧介质2kV
      额定电压85~265V
      应用场景电厂 矿山
      动作时间小于15ms
      外形尺寸80.2*62*79.2
      电寿命10万次
      延时范围(s)动作时间小于35ms
      可售卖地全国
      用途保护
      型号HJLL-95/B













    0571-87774297