霍穆思XJLS-84\/620\/ZT静态双位置继电器详细技术参数
霍穆思XJLS-84\/620\/ZT静态双位置继电器详细技术参数
产品价格:¥80.00(人民币)
  • 规格:完善
  • 发货地:浙江温州
  • 品牌:
  • 最小起订量:1
  • 诚信商家
    会员级别:钻石会员
    认证类型:企业认证
    企业证件:通过认证

    商铺名称:浙江霍穆思电气有限公司

    联系人:陈经理(先生)

    联系手机:

    固定电话:

    企业邮箱:ZJHUOMUSI@163.com

    联系地址:新光工业新光大道115号

    邮编:325604

    联系我时,请说是在地方电气网上看到的,谢谢!

    商品详情
      产品参数
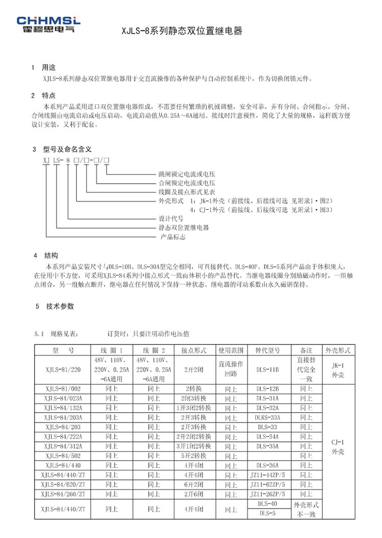
      霍穆思XJLS-84/620/ZT静态双位置继电器详细技术参数 品牌霍穆思
      产品特性保护
      应用范围双位置
      额定电流5
      额定电压220VDC
      是否专供外贸
      3C额定电压范围36V-交流1000V
      产品系列JSW
      触点负载5A250V
      触点切换电流1
      触点形式2D3Z
      线圈电源220V
      线圈功率5W
      最小包装数1
      应用领域电工电气
      系列XJLS
      可售卖地全国
      型号XJLS-84/620/ZT

















    0571-87774297