WANTAI万泰42BYGHW6420L2A60机身大力矩0.7N.M尿素泵电机专用
WANTAI万泰42BYGHW6420L2A60机身大力矩0.7N.M尿素泵电机专用
产品价格:¥69.00(人民币)
  • 规格:完善
  • 发货地:江苏常州
  • 品牌:
  • 最小起订量:1
  • 免费会员
    会员级别:试用会员
    认证类型:企业认证
    企业证件:通过认证

    商铺名称:江苏万泰电机

    联系人:李小姐(小姐)

    联系手机:

    固定电话:

    企业邮箱:

    联系地址:

    邮编:

    联系我时,请说是在地方电气网上看到的,谢谢!

    商品详情
      产品参数
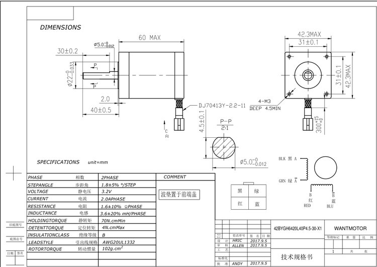
      品牌WANTAI
      是否进口
      产品类型1.8°
      产品认证CEROHS
      额定电压3.2V
      额定功率5W
      额定转速300-800rpmRPM
      规格BYGHmm
      极数2
      适用范围3D打印机机器人
      应用范围3D打印机
      监控设备
      医疗
      舞台灯光
      数控设备
      产地中国
      加工定制
      能否定制
      力矩0.7n.m=99oz-in
      歩距角1.8°
      可售卖地全国
      材质矽钢片、磁钢、二极管等
      型号42BYGHW6420L



      电机尺寸图:








    0571-87774297