铸钢对夹涡轮蝶阀D373H-16C三偏心碳钢阀远大阀门制造供应
铸钢对夹涡轮蝶阀D373H-16C三偏心碳钢阀远大阀门制造供应
产品价格:¥425.00(人民币)
  • 规格:灰色
  • 发货地:河北邢台
  • 品牌:
  • 最小起订量:1
  • 免费会员
    会员级别:试用会员
    认证类型:企业认证
    企业证件:通过认证

    商铺名称:远大阀门集团有限公司

    联系人:(先生)

    联系手机:

    固定电话:

    企业邮箱:xiaoshou@hbyuanda.com

    联系地址:河北省隆尧县西尹村

    邮编:55350

    联系我时,请说是在地方电气网上看到的,谢谢!

    商品详情
      产品参数
      是否进口
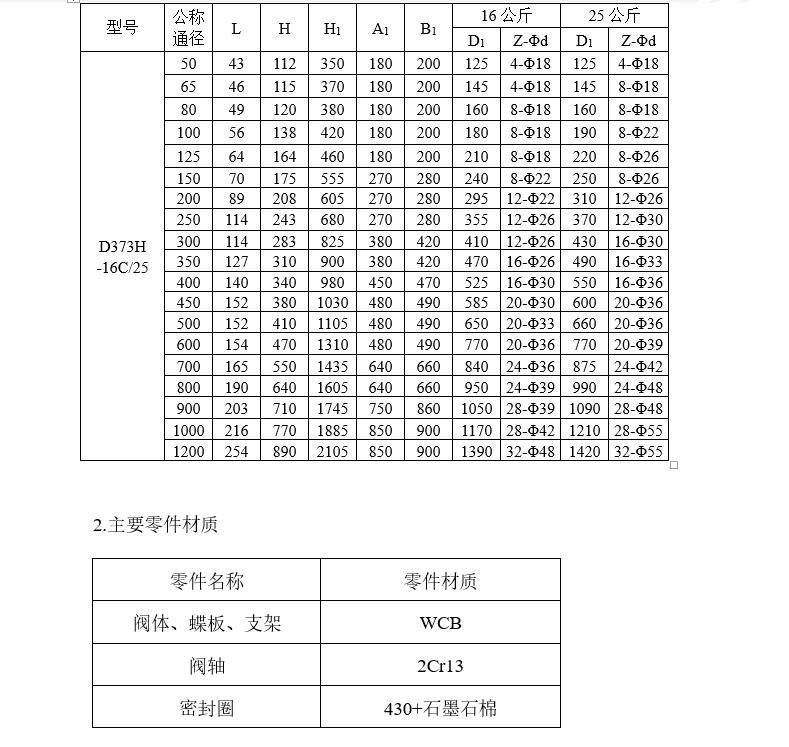
      材质碳钢WCB
      产地邢台
      适用范围水、油品、蒸汽
      型号DN50 DN65 DN80 DN100 DN125 DN150 DN200 DN250 DN300 DN350 DN400 DN450 DN500 DN600
      颜色灰色
      类别蝶阀
      可售卖全国
      运输物流
      适用温度-29~425℃
      带动阀轴转动90°
      组成阀体、蝶板、支架、阀杆、电动装置、密封圈
      结构长度GB/T 12221 金属阀门结构长度
      检验与试验GB/T 13927 阀门的检查与试验
      品牌远大阀门












    0571-87774297