万泰57步进电机57BYGH633B1.89N.M\/2相6线\/3A双出轴数控机床
万泰57步进电机57BYGH633B1.89N.M\/2相6线\/3A双出轴数控机床
产品价格:¥85.00(人民币)
  • 规格:完善
  • 发货地:江苏省常州市
  • 品牌:
  • 最小起订量:1
  • 免费会员
    会员级别:试用会员
    认证类型:企业认证
    企业证件:通过认证

    商铺名称:江苏万泰电机有限公司

    联系人:(先生)

    联系手机:

    固定电话:

    企业邮箱:3834056357@qq.com

    联系地址:儒林镇博洋路18号

    邮编:213215

    联系我时,请说是在地方电气网上看到的,谢谢!

    商品详情
      产品参数
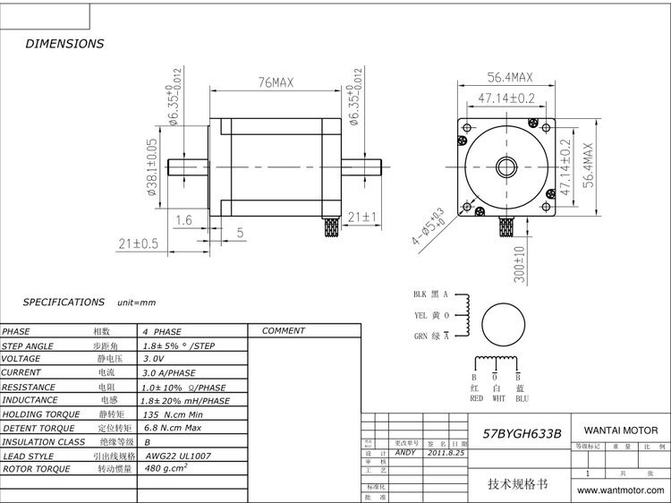
      万泰 57步进电机57BYGH633B 1.89N.M/2相6线/3A 双出轴 数控机床 品牌万泰
      是否进口
      应用范围数控设备
      医疗设备
      极数2
      产品类型1.8°
      额定电压3V
      额定转速300-800rpm
      额定功率10W
      产品认证CEROHS
      规格BYGH
      产地中国常州
      加工定制
      配件名称2相6线混合式步进电机
      适用范围雕刻机切割机激光打印机
      能否定制
      力矩1.89N.M
      歩距角1.8°
      可售卖地北京;天津;河北;山西;内蒙古;辽宁;吉林;黑龙江;上海;江苏;浙江;安徽;福建;江西;山东;河南;湖北;湖南;广东;广西;海南;重庆;四川;贵州;云南;西藏;陕西;甘肃;青海;宁夏;新疆
      材质矽钢片、磁钢、二极管等
      型号57BYGH633B


      ?



      ?电机的外形尺寸图:


      ?

      ?

    0571-87774297