小型哈默纳科Harmonic执行器RKF系列高精度高转矩AC伺服传动装置
小型哈默纳科Harmonic执行器RKF系列高精度高转矩AC伺服传动装置
产品价格:¥9890.00(人民币)
  • 规格:AC伺服执行元件RKF系列
  • 发货地:北京北京
  • 品牌:
  • 最小起订量:1
  • 免费会员
    会员级别:试用会员
    认证类型:企业认证
    企业证件:通过认证

    商铺名称:北京北成新控伺服技术有限公司

    联系人:陈国荣(先生)

    联系手机:

    固定电话:

    企业邮箱:market01@idealcontrol.com

    联系地址:北京市朝阳区青年路西里三号院七号楼国峰时代2层218室

    邮编:100123

    联系我时,请说是在地方电气网上看到的,谢谢!

    商品详情
      产品参数
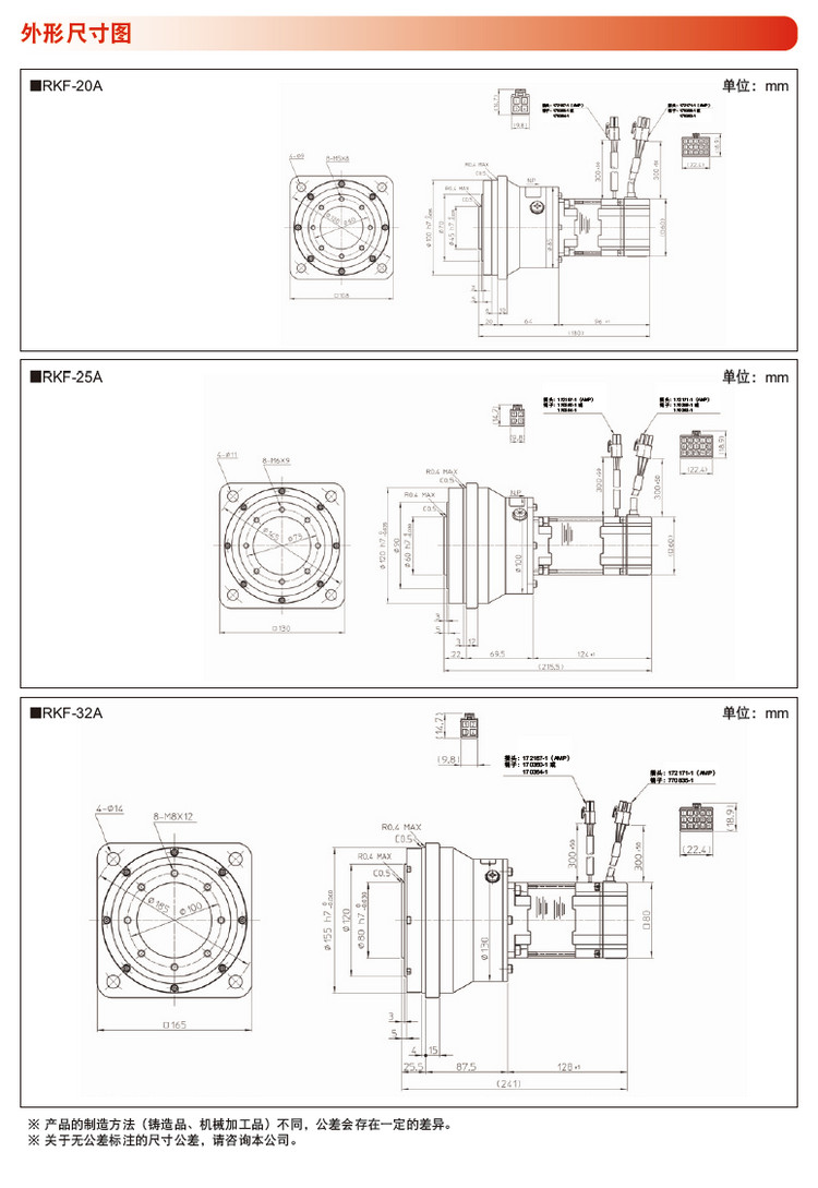
      型号20,25,32
      批号详询客服
      封装箱装
      包装盒装
      最小包装量1
      机型AC伺服执行元件 RKF系列
      减速比50,100
      编码器的分辨率200:2000p/rev
      编码器的种类 E:增量编码器
      额定时间连续
      励磁方式永久磁铁式
      绝缘等级B级
      构造全闭自冷式
      优势小型、高转矩、高旋转精度
      优点高分辨率、高定位精度、专用驱动器操作简单
      销售地区全国
      数量20
      品牌哈默纳科Harmonic








    0571-87774297