5SNG0300Q170300
5SNG0300Q170300
产品价格:¥9.90(人民币)
  • 规格:完善
  • 发货地:湖北武汉
  • 品牌:
  • 最小起订量:1
  • 免费会员
    会员级别:试用会员
    认证类型:企业认证
    企业证件:通过认证

    商铺名称:武汉科美芯电气有限公司

    联系人:李可(先生)

    联系手机:

    固定电话:

    企业邮箱:cy@whkmx.com

    联系地址:

    邮编:

    联系我时,请说是在地方电气网上看到的,谢谢!

    商品详情
      产品参数
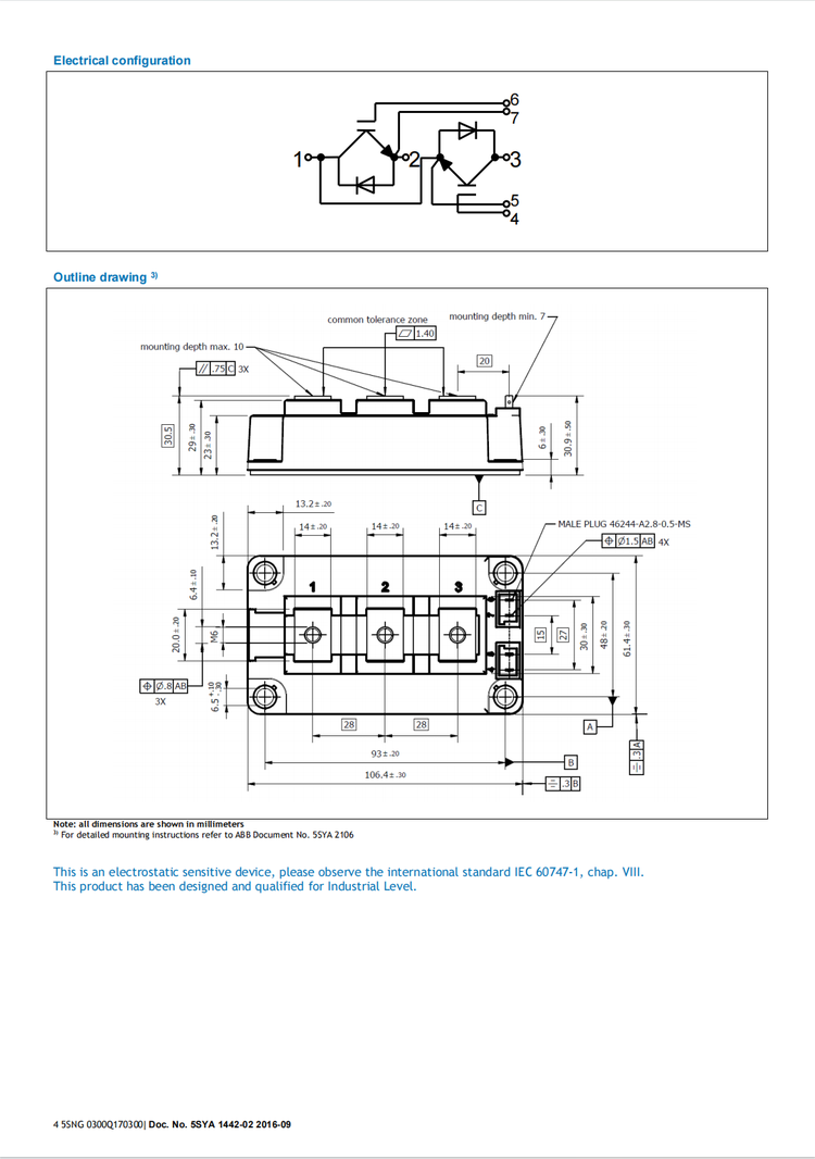
      品牌日立能源
      产品种类IGBT模块
      集电极-发射极电压1700V
      封装62mm
      集电极电流300A
      数量2000
      配置半桥
      产地瑞士
      批号咨询商家
      可售卖地北京;天津;河北;山西;内蒙古;辽宁;吉林;黑龙江;上海;江苏;浙江;安徽;福建;江西;山东;河南;湖北;湖南;广东;广西;海南;重庆;四川;贵州;云南;西藏;陕西;甘肃;青海;宁夏;新疆
      型号




    0571-87774297