WANTAI\/万泰1套直流无刷电机42BLF03配驱动器BLDC-8015A
WANTAI\/万泰1套直流无刷电机42BLF03配驱动器BLDC-8015A
产品价格:¥525.00(人民币)
  • 规格:完善
  • 发货地:江苏省常州市
  • 品牌:
  • 最小起订量:1
  • 免费会员
    会员级别:试用会员
    认证类型:企业认证
    企业证件:通过认证

    商铺名称:江苏万泰电机有限公司

    联系人:(先生)

    联系手机:

    固定电话:

    企业邮箱:3834056357@qq.com

    联系地址:儒林镇博洋路18号

    邮编:213215

    联系我时,请说是在地方电气网上看到的,谢谢!

    商品详情
      产品参数
      WANTAI/万泰1套 直流无刷电机42BLF03配驱动器BLDC-8015A 品牌WANTAI/万泰
      是否支持加工定制
      最大转速3000r/min
      发货方式快递物流
      产地中国
      是否进口
      加工定制
      产品类型无刷直流电动机
      额定功率78
      额定电压24
      产品认证CE
      3C额定电压范围直流36V以下
      可售卖地北京;天津;河北;山西;内蒙古;辽宁;吉林;黑龙江;上海;江苏;浙江;安徽;福建;江西;山东;河南;湖北;湖南;广东;广西;海南;重庆;四川;贵州;云南;西藏;陕西;甘肃;青海;宁夏;新疆
      型号42BLF03 BLDC-8015A

      ?

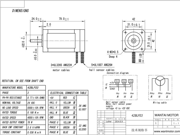
      42BLF03参数说明:

      型号

      42BLF01

      42BLF02

      42BLF03

      磁极数

      8

      相数

      3

      额定电压??VDC

      24

      额定转速??RPM

      4000

      保持力矩??N-m

      0. 063

      0.125

      0.188

      输出功率??Watts

      26

      52

      78

      峰值转矩??N-m

      0.18

      0.38

      0.6

      峰值电流??Amps

      4.6

      9.4

      14.1

      线电阻??Ohms

      1.8

      0.9

      0.6

      线电感??mH

      0.54

      0.27

      0.18

      转矩常数??N-m/Amps

      0.042

      0.043

      0.044

      反电势??V/kRPM

      4.4

      4.5

      4.65

      转动惯量??g·cm2

      24

      48

      72

      机身长度(L)??mm

      47

      63

      79

      重量??kg

      0.33

      0.48

      0.63

      ?





      BLDC-8015A驱动器:

      ??

      BLDC系列无刷直流电机及驱动器是由常州万泰电器有限公司最新推出,针对于小功率电机拖动领域的高科技产品。随着电子技术的高速发展,电子产品的工艺和性能也不断更新和提高,本产品采用超大规模的硬件集成电路,具有高度的抗干扰性及快速的响应性,从控制性能上与传统直流电机相比又具有免维护、长寿命、恒力矩等优势。

      ?

      特点

      l????????SPWM纯正弦波脉宽调制技术,电流、速度双闭环,低速力矩大,运转平稳。

      l????????高速力矩输出平稳,最高转速达8000 rpm/min。

      l????????最大1:75调速比,与4对级无刷直流电机配套时,最低转速可达60rpm/min。电机级数越多,调速比越宽。

      l????????灵活的霍尔磁极位置设定,60°/300°/120°/240°电角度可选,适配不同规格电机。

      l????????提供两种调速方式:面板电位器给定、模拟量输入端子给定,方便用户使用。

      l????????启停、快速制动、正反转切换输入信号(光电隔离)。

      l????????测速输出、报警输出信号(光电隔离,OC门输出)。

      l????????过流、过压、堵转、电机失控报警。

      ?

      ?

      产品使用:本品适合驱动峰值电流在15A以下、电源电压在50V以内的任何一款低压三相无刷直流电机,广泛应用于针织设备、医疗设备、食品机械、电动工具、园林机械等一系列电气自动化控制领域。

      ?





    0571-87774297