万泰42BLF02直流无刷电机4000RPM52W24V三相八级分析仪
万泰42BLF02直流无刷电机4000RPM52W24V三相八级分析仪
产品价格:¥150.00(人民币)
  • 规格:完善
  • 发货地:江苏常州
  • 品牌:
  • 最小起订量:1
  • 免费会员
    会员级别:试用会员
    认证类型:企业认证
    企业证件:通过认证

    商铺名称:江苏万泰电机有限公司

    联系人:(先生)

    联系手机:

    固定电话:

    企业邮箱:3834056357@qq.com

    联系地址:儒林镇博洋路18号

    邮编:213215

    联系我时,请说是在地方电气网上看到的,谢谢!

    商品详情
      产品参数
      品牌万泰
      是否进口
      应用范围医疗,数控设备
      极数2
      产品类型3相
      额定电压24V
      额定转速4000rpm
      额定功率52W
      产品认证CEROHS
      规格BL
      产地中国常州
      加工定制
      可售卖地北京;天津;河北;山西;内蒙古;辽宁;吉林;黑龙江;上海;江苏;浙江;安徽;福建;江西;山东;河南;湖北;湖南;广东;广西;海南;重庆;四川;贵州;云南;西藏;陕西;甘肃;青海;宁夏;新疆
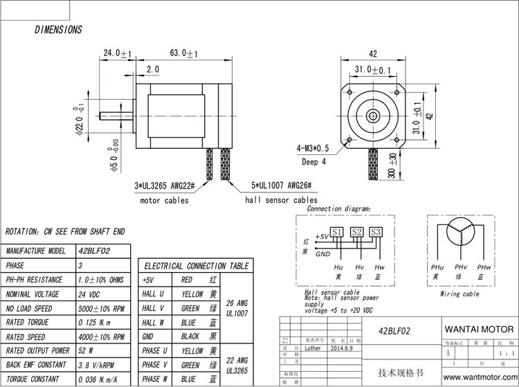
      型号42BLF02


      42BLF02参数说明:

      ?

      型号

      42BLF01

      42BLF02

      42BLF03

      磁极数

      8

      相数

      3

      额定电压??VDC

      24

      额定转速??RPM

      4000

      保持力矩??N-m



      0. 063

      0.125

      0.188

      输出功率??Watts

      26

      52

      78

      峰值转矩??N-m

      0.18

      0.38

      0.6

      峰值电流??Amps

      4.6

      9.4

      14.1

      线电阻??Ohms

      1.8

      0.9

      0.6

      线电感??mH

      0.54

      0.27

      0.18

      转矩常数??N-m/Amps

      0.042

      0.043

      0.044

      反电势??V/kRPM

      4.4

      4.5

      4.65

      转动惯量??g·cm2

      24

      48

      72

      机身长度(L)??mm

      47

      63

      79

      重量??kg

      0.33

      048

      0.63

      ?电机尺寸图: