智能开关模块MJYD-ZL-30模块晶闸管控制模块
智能开关模块MJYD-ZL-30模块晶闸管控制模块
产品价格:¥300.00(人民币)
  • 规格:完善
  • 发货地:山东淄博市
  • 品牌:
  • 最小起订量:1
  • 免费会员
    会员级别:试用会员
    认证类型:企业认证
    企业证件:通过认证

    商铺名称:淄博市临淄银河高技术开发有限公司

    联系人:董乾坤(先生)

    联系手机:

    固定电话:

    企业邮箱:donghai_aa@163.com

    联系地址:山东省淄博市临淄区临淄大道432号

    邮编:255400

    联系我时,请说是在地方电气网上看到的,谢谢!

    商品详情
      产品参数
      品牌银河
      控制方式GTO(门极关断)
      极数三极
      额定正向平均电流150A
      控制极触发电流4-20mA
      最大稳定工作电流150A
      反向重复峰值电压 1400V1400V
      种类晶闸管智能模块
      变频器晶闸管智能模块
      交流电机软起动直流电机软起动
      可售卖地全国
      型号MJYD-ZL-30

      温馨提示:价格仅供参考!具体型号请电联。









      用途:

      广泛应用于不同行业各种领域如调温、调光、励磁、电镀、电解、电焊、等离子拉弧、充放电、稳压、有源逆变等电源装置。本系列模块还可通过模块控制端口与外置的多功能控制板连接,实现“交流电机软起动、双闭环直流电机调速和恒流恒压控制”等功能(我公司可为用户配备这种外置多功能控制板)。

      特点:
      (1)晶闸管智能控制模块均采用本公司独立开发的全数字移相触发集成电路,实现了控制电路与晶闸管主电路集成一体化,使模块具备了弱电控制强电的电力调控功能。
      (2)采用进口方形芯片、高级芯片支撑板,模块压降小、功耗低,效率高,节电效果好。
      (3)采用进口贴片元件,保证了触发控制电路的可靠性。
      (4)采用(DBC)陶瓷覆铜板,经独特处理方法和特殊焊接工艺,保证焊接层无空洞,导热性能好。热循环负载次数高于国家标准近10倍。
      (5)采用高级导热绝缘封装材料,绝缘、防潮性能优良。
      (6)触发控制电路、主电路与导热底板相互隔离,导热底板不带电.绝缘强度≥2500V (RMS),保证人身安全。
      (7)三相交流模块输出对称性好,直流分量小。大规格模块具有过热、过流、缺相保护功能。
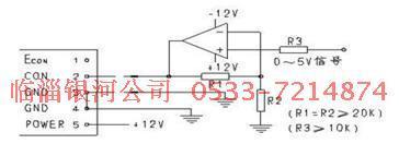
      (8)输入0-10V直流控制信号或0-5V直流控制信号、4-20mA仪表信号,均可实现对主电路输出电压进行平滑调节。
      (9)可手动、仪表或微机控制。
      (10)适用于阻性和感性负载。

      规格型号:

      模块内部电联接形式:

      三相整流模块

      三相交流模块

      单相整流

      单相交流

      大规格单相交流

      模块外形尺寸及重量:

      三相整流模块外形图三相交流模块外形图

      单相整流模块外形图单相交流模块外形图

      手动(电位器调节)、计算机、仪表等各种控制信号输入方法:

      手动控制的接法计算机控制

      0~5V控制信号的接法4~20mA仪表控制信号的接法








    0571-87774297