商铺名称:武汉科美芯电气有限公司
联系人:李可(先生)
联系手机:
固定电话:
企业邮箱:cy@whkmx.com
联系地址:
邮编:
联系我时,请说是在地方电气网上看到的,谢谢!
| 产品参数 | |||
|---|---|---|---|
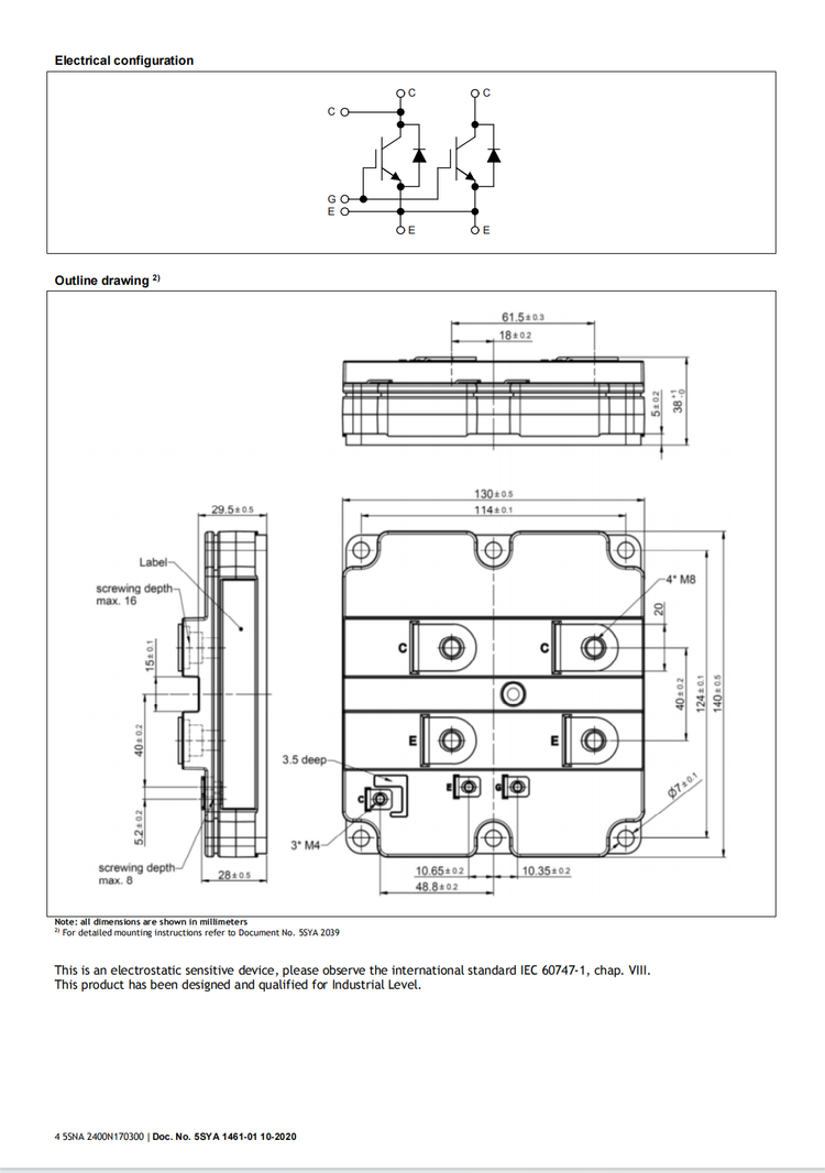
| 日立能源ABB IGBT模块 5SNA 2400N170300(2400A/1700V) 品牌 | 日立能源ABB | ||
| 产品种类 | IGBT模块 | ||
| 集电极-发射极电压 | 1700V | ||
| 封装 | HiPak | ||
| 集电极电流 | 2400A | ||
| 数量 | 2000 | ||
| 配置 | 半桥 | ||
| 产地 | 瑞士 | ||
| 批号 | 咨询商家 | ||
| 可售卖地 | 北京;天津;河北;山西;内蒙古;辽宁;吉林;黑龙江;上海;江苏;浙江;安徽;福建;江西;山东;河南;湖北;湖南;广东;广西;海南;重庆;四川;贵州;云南;西藏;陕西;甘肃;青海;宁夏;新疆 | ||
| 型号 | 5SNA 2400N170300 | ||



