蒂森克数码液晶三相四线多功能电力仪表RS485通讯单相电流电压表
蒂森克数码液晶三相四线多功能电力仪表RS485通讯单相电流电压表
产品价格:¥39.00(人民币)
  • 规格:多功能电力仪表-数码显示
  • 发货地:江西上饶
  • 品牌:
  • 最小起订量:1
  • 免费会员
    会员级别:试用会员
    认证类型:企业认证
    企业证件:通过认证

    商铺名称:江西蒂森克科技有限公司

    联系人:黄小明(先生)

    联系手机:

    固定电话:

    企业邮箱:97368701@qq.com

    联系地址:上饶高铁新区茶圣东路文创中心4号楼

    邮编:334000

    联系我时,请说是在地方电气网上看到的,谢谢!

    商品详情
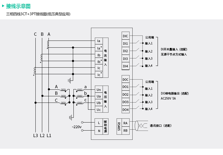
      产品参数
      名称多功能电力仪表
      基本电流AC1A/5A
      参比电压100/380V
      准确度等级0.5级
      相数三相三线/三相四线
      显示方式LED数码/LCD液晶显示
      频率50Hz
      电源性质AC220V、AC/DC85-265V
      外形尺寸120×120,96×96,80×80,72×72
      加工定制
      品牌江西蒂森克

























    0571-87774297