EPS应急电源30kw37kw45kw55kw变频三相消防电源配电箱
EPS应急电源30kw37kw45kw55kw变频三相消防电源配电箱
产品价格:¥11000.00(人民币)
  • 规格:照明动力型
  • 发货地:上海上海
  • 品牌:
  • 最小起订量:1
  • 诚信商家
    会员级别:钻石会员
    认证类型:企业认证
    企业证件:通过认证

    商铺名称:上海链驰电源科技有限公司

    联系人:孔经理(先生)

    联系手机:

    固定电话:

    企业邮箱:121750056@qq.com

    联系地址:上海市闵行区江汉路223号1层

    邮编:021

    联系我时,请说是在地方电气网上看到的,谢谢!

    商品详情
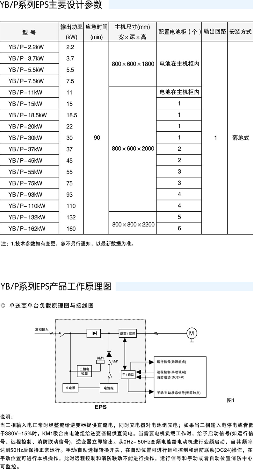
      产品参数
      OEM
      效率99%
      型号S-30KW
      类型应急电源
      尺寸2200*800*600*2
      相数三相
      规格S-30KW
      发票13%
      颜色白色
      回路数3
      保护方式过载过压过流
      加工定制
      调制方式自动
      产品认证ccc
      通讯方式RS232
      是否进口
      安装方式落地
      控制方式自动
      品牌一北















    0571-87774297