商铺名称:北京中科易联科技有限公司
联系人:王(小姐)
联系手机:
固定电话:
企业邮箱:
联系地址:
邮编:
联系我时,请说是在地方电气网上看到的,谢谢!
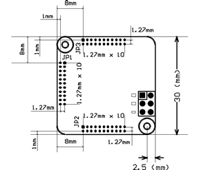
二、外形尺寸

顶视图 侧视图
注:三组插针使用1.27mm间距的双排插针
三、供电电源
1.OEM模块由3V3和GND引脚负责供电,JP1和JP2各提供了一组供电引脚,核心板3.3V总电流800mA,建议用户提供高于1A的供电电流。
2.JP3的3V3P是由OEM模块转换后输出的,专门给网口部分的电路提供电源,详情参考相关推荐电路。
四、硬件信号
|
序号 |
所属插针 |
引脚名称 |
信号功能 |
|
1 |
JP1 |
GND |
供电电源0V |
|
2 |
JP1 |
3V3 |
供电电源3.3V |
|
3 |
JP1 |
IO1 |
IO信号1 |
|
4 |
JP1 |
IO2 |
IO信号2 |
|
5 |
JP1 |
IO3 |
IO信号3 |
|
6 |
JP1 |
IO4 |
IO信号4 |
|
7 |
JP1 |
IO5 |
IO信号5 |
|
8 |
JP1 |
IO6 |
IO信号6 |
|
9 |
JP1 |
IO7 |
IO信号7 |
|
10 |
JP1 |
IO8 |
IO信号8 |
|
11 |
JP1 |
IO9 |
IO信号9 |
|
12 |
JP1 |
IO10 |
IO信号10 |
|
13 |
JP1 |
IO11 |
IO信号11 |
|
14 |
JP1 |
IO12 |
IO信号12 |
|
15 |
JP1 |
IO13 |
IO信号13 |
|
16 |
JP1 |
IO14 |
IO信号14 |
|
17 |
JP1 |
IO15 |
IO信号15 |
|
18 |
JP1 |
IO16 |
IO信号16 |
|
19 |
JP1 |
IO17 |
IO信号17 |
|
20 |
JP1 |
IO18 |
IO信号18 |
|
21 |
JP1 |
IO19 |
IO信号19 |
|
22 |
JP1 |
IO20 |
IO信号20 |
|
|
|
|
|
|
23 |
JP2 |
GND |
供电电源0V |
|
24 |
JP2 |
3V3 |
供电电源3.3V |
|
25 |
JP2 |
IO21 |
IO信号21 |
|
26 |
JP2 |
IO22 |
IO信号22 |
|
27 |
JP2 |
IO23 |
IO信号23 |
|
28 |
JP2 |
IO24 |
IO信号24 |
|
29 |
JP2 |
IO25 |
IO信号25 |
|
30 |
JP2 |
IO26 |
IO信号26 |
|
31 |
JP2 |
IO27 |
IO信号27(SPI_MOSI) |
|
32 |
JP2 |
IO28 |
IO信号28(SPI_MISO) |
|
33 |
JP2 |
IO29 |
IO信号29(SPI_CLK) |
|
34 |
JP2 |
IO30 |
IO信号30(SPI_NSS) |
|
35 |
JP2 |
IO31 |
IO信号31 |
|
36 |
JP2 |
IO32 |
IO信号32 |
|
37 |
JP2 |
保留 |
|
|
38 |
JP2 |
保留 |
|
|
39 |
JP2 |
LERR0 |
保留 |
|
40 |
JP2 |
LRUN0 |
保留 |
|
41 |
JP2 |
LRUN1 |
保留 |
|
42 |
JP2 |
LERR1 |
保留 |
|
43 |
JP2 |
保留 |
|
|
44 |
JP2 |
保留 |
|
|
|
|
|
|
|
45 |
JP3 |
GND |
网络电源0V |
|
46 |
JP3 |
3V3PHY |
网络电源3.3V |
|
47 |
JP3 |
RSTN |
OEM模块复位,低有效 |
|
48 |
JP3 |
NET6B |
网口2信号线 |
|
49 |
JP3 |
保留 |
|
|
50 |
JP3 |
NET3B |
网口2信号线 |
|
51 |
JP3 |
保留 |
|
|
52 |
JP3 |
NET2B |
网口2信号线 |
|
53 |
JP3 |
保留 |
|
|
54 |
JP3 |
NET1B |
网口2信号线 |
|
55 |
JP3 |
保留 |
|
|
56 |
JP3 |
NET1A |
网口1信号线 |
|
57 |
JP3 |
保留 |
|
|
58 |
JP3 |
NET2A |
网口1信号线 |
|
59 |
JP3 |
USART_TX |
OEM模块USART发送 |
|
60 |
JP3 |
NET3A |
网口1信号线 |
|
61 |
JP3 |
USART_RX |
OEM模块USART接收 |
|
62 |
JP3 |
NET6A |
网口1信号线 |
|
63 |
JP3 |
LEDGR1 |
网口1绿色指示灯 |
|
64 |
JP3 |
LEDGR2 |
网口2绿色指示灯 |
|
65 |
JP3 |
LEDYL1 |
网口1黄色指示灯 |
|
66 |
JP3 |
LEDYL2 |
网口2黄色指示灯 |
五、硬件设计电路
1.电源设计
OEM模块需要由用户板提供3.3V直流电源,供电电流不小于1A。
电源连接至OEM模块的下列引脚:
1)JP1的1脚:GND
2)JP1的2脚:3.3V
3)JP2的1脚:GND
4)JP2的2脚:3.3V
2.硬件复位
OEM模块提供了一个复位引脚,使得用户可以控制OEM模块是否开始工作。该复位信号直接连通至STM32F103的复位引脚,低电平时芯片处于复位状态。用户如果不需要对OEM模块进行复位控制,此处可以接一个上拉电阻。
3.网口电路
网口电路用到的电源3V3P,由OEM模块提供,来自于OEM模块JP3的2脚。如果网络连接器使用汉仁的HR911205C,电路参考如下:
1)NET1A、NET2A、NET3A、NET6A是网口1的信号线。
2)NET10A、NET11A是网口1的指示灯。
3)NET1B、NET2B、NET3B、NET6B是网口2的信号线。
4)NET10B、NET11B是网口2的指示灯。
ETHERNET IP核心板