YJCPS-控制与保护开关|上海伊江
YJCPS-控制与保护开关|上海伊江
产品价格:¥68.00(人民币)
  • 供应数量:10000
  • 发货地:上海-嘉定区
  • 最小起订量:1台
  • 家家通
    会员级别:家家通
    认证类型:企业认证
    企业证件:通过认证

    商铺名称:上海伊江实业有限公司

    联系人:焦卫宽(先生)

    联系手机:

    固定电话:

    企业邮箱:elooyj@163.com

    联系地址:上海市嘉定区江桥工业园区华江路129弄

    邮编:201803

    联系我时,请说是在地方电气网上看到的,谢谢!

    商品详情


      YJCPS-B数字型控制与保护开关


      YJCPS控制与保护开关电器产品简述:

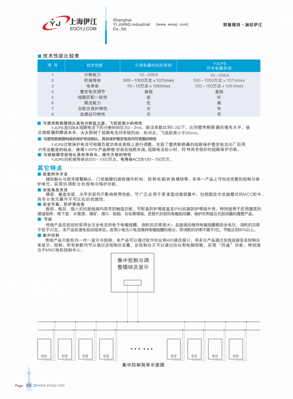
      YJCPS数字化系列控制与保护开关电器采用了高性能的微处理器,使得CPS产品更具优势,保护功能更完善,实时控制更加准确、稳定。

      YJCPS数字型控制与保护开关电器:电流自0.16~125A,采用模块化的单一产品结构型式,集成了传统的断路器(熔断器)、接触器、过载继电器、隔离器、辅助电器等的主要功能,具有远距离自动控制和就地直接人力控制功能,具有面板指示及机电信号报警功能,具有协调配合的时间-电流保护特性(反时限、定时限和瞬时三段保护特性)。根据需要选配功能模块或附件,即可实现对一般(不频繁起动)的电动机负载、频繁起动的电动机负载、配电电路负载的控制与保护。
      适用于普通风机、排水泵、新风机及空调机组等。



















      产品型号规格:

      YJCPS,YJCPS45,YJCPS125,YJCPS45-3F,YJCPS125-3F,YJCPS45-3/6.5KW,YJCPS45F-3/3KW,YJCPS45-3B/7.5KW,YJCPS45-3F/0.75KW,YJCPS45-3F/1.5KW,YJCPS45-3F/11KW,YJCPS45-3F/18.5KW,YJCPS45-3F/3.5KW,YJCPS45-3F/3KW,YJCPS45-3F/4KW,YJCPS45-3F/5.5KW,YJCPS45-3F/7.5KW,YJCPS45-3F/8KW,YJCPS45-3/6.5KW,YJCPS45-3B/7.5KW,YJCPS45-3F/0.75KW,YJCPS45-3F/1.5KWYJCPSD,YJCPSJ,YCPS-45,YJCPS45-3,YJCPS45-3B,CPS,控制与保护开关,控制与保护开关电器,......等

    在线询盘/留言
  • 0571-87774297